RKRU-215 Ch= RKRU
Sonora Radio & Telev. Corp.; Chicago (IL)
- Land
- USA
- Hersteller / Marke
- Sonora Radio & Telev. Corp.; Chicago (IL)
- Jahr
- 1946
- Kategorie
- Rundfunkempfänger (Radio - oder Tuner nach WW2)
- Radiomuseum.org ID
- 58350
-
- anderer Name: Sonora Electric Phono
Klicken Sie auf den Schaltplanausschnitt, um diesen kostenlos als Dokument anzufordern.
- Anzahl Röhren
- 6
- Hauptprinzip
- Super mit HF-Vorstufe; ZF/IF 455 kHz; 2 NF-Stufe(n)
- Anzahl Kreise
- 6 Kreis(e) AM
- Wellenbereiche
- Mittelwelle, keine anderen.
- Spezialitäten
- Plattenspieler (oder Wechsler)
- Betriebsart / Volt
- Allstromgerät / 110 - 120 Volt
- Lautsprecher
- Dynamischer LS, keine Erregerspule (permanentdynamisch) / Ø 4 inch = 10.2 cm
- Material
- Gerät mit Holzgehäuse
- von Radiomuseum.org
- Modell: RKRU-215 Ch= RKRU - Sonora Radio & Telev. Corp.;
- Form
- Tischmodell, Zusatz nicht bekannt - allgemein.
- Datenherkunft extern
- Ernst Erb
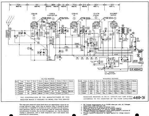
- Schaltungsnachweis
- Rider's Perpetual, Volume 16 = ca. 1948 and before
- Literaturnachweis
- Collector's Guide to Antique Radios 4. Edition
- Literatur/Schema (1)
- Photofact Folder, Howard W. SAMS (Set 9 folder 469-31 date 12-46)
- Weitere Modelle
-
Hier finden Sie 345 Modelle, davon 209 mit Bildern und 260 mit Schaltbildern.
Alle gelisteten Radios usw. von Sonora Radio & Telev. Corp.; Chicago (IL)