- Produttore / Marca
- Sonora Radio & Telev. Corp.; Chicago (IL)
- Anno
- 1939
- Categoria
- Radio (o sintonizzatore del dopoguerra WW2)
- Radiomuseum.org ID
- 58261
-
- alternative name: Sonora Electric Phono
Clicca sulla miniatura dello schema per richiederlo come documento gratuito.
- Numero di tubi
- 7
- Principio generale
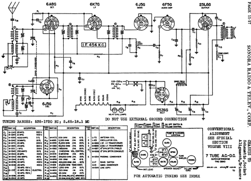
- Supereterodina (in generale); ZF/IF 456 kHz
- N. di circuiti accordati
- 6 Circuiti Mod. Amp. (AM)
- Gamme d'onda
- Onde medie (OM) e corte (OC).
- Tensioni di funzionamento
- Alimentazione universale (doppia: CC/CA) / 110-120 Volt
- Altoparlante
- AP elettrodinamico (bobina mobile e bobina di eccitazione/di campo)
- Materiali
- Mobile di metallo
- Radiomuseum.org
- Modello: Ch= TD - Sonora Radio & Telev. Corp.;
- Forma
- Chassis o in scatola da montaggio
- Annotazioni
- 6" speaker (table model) or 8" speaker (console model); push-button tuner.
- Fonte esterna dei dati
- Ernst Erb
- Riferimenti schemi
- Rider's Perpetual, Volume 11 = ca. 1940 and before
- Altri modelli
-
In questo link sono elencati 345 modelli, di cui 209 con immagini e 260 con schemi.
Elenco delle radio e altri apparecchi della Sonora Radio & Telev. Corp.; Chicago (IL)