Compact Disc Player CDP-190

Sony Corporation; Tokyo

  • Année
  • 1991 ?
  • Catégorie
  • Enrégistreur et/ou reproducteur son/video
  • Radiomuseum.org ID
  • 157344

Cliquez sur la vignette du schéma pour le demander en tant que document gratuit.

 Spécifications techniques

  • No. de transistors
  • Semi-conducteurs présents
  • Semi-conducteurs
  • Principe général
  • Amplification audio
  • Gammes d'ondes
  • - sans
  • Particularités
  • Lecteur CD et/ou graveur, MD, MOD (audio); Equipement HIFI
  • Tension / type courant
  • Alimentation Courant Alternatif (CA) / 110; 120; 220; 240 Volt
  • Haut-parleur
  • - Pour casque ou amplificateur BF
  • Matière
  • Boitier métallique
  • De Radiomuseum.org
  • Modèle: Compact Disc Player CDP-190 - Sony Corporation; Tokyo
  • Forme
  • Appareil d'étagère
  • Dimensions (LHP)
  • 430 x 100 x 280 mm / 16.9 x 3.9 x 11 inch
  • Remarques
  • A stereo hi-fi compact disc player. Dual D/A converter system, 4 times oversampling digital filter. Program, Shuffle and Repeat modes, Music Scan, Fader. RCA phono sockets for Line Out, jack for headphones with volume control.

    Specification  
    Frequency response 2 Hz - 20 kHz ± 1.0dB,-1.2dB
    Signal to noise ratio More than 93 dB
    Dynamic range More than 90 dB
    Harmonic distortion Less than 0.05 %
    Channel separation More than 90 dB
    Line Out
    (phono jacks)
    Output level 2 V (at 50 kΩ)
    Load impedance over 10 kΩ
    Headphones
    (stereo phone jack)
    Output level max. 10mW
    Load impedance 32 Ω

    Versions/Power requirements
    US model  /  120V AC, 60Hz
    Canada model  /  120V AC, 60Hz
    AEP model  /  220V AC, 50/60Hz
    Australian model  /  110, 120, 220 or 240V AC 50/60Hz adjustable
    E model  /  110, 120, 220 or 240V AC 50/60Hz adjustable

    Power consumption 8W

    Similar to the Sony CDP-390 Compact Disc Player which has remote control.

  • Poids net
  • 3 kg / 6 lb 9.7 oz (6.608 lb)
  • Source
  • -- Original-techn. papers.
  • Schémathèque (1)
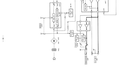
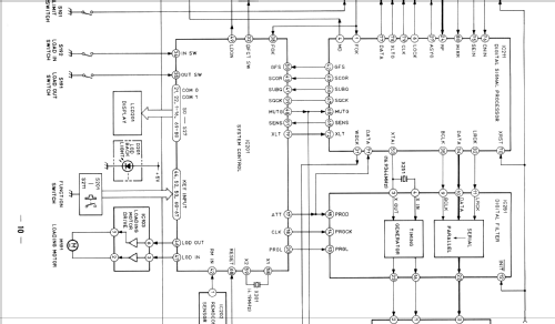
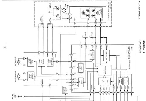
  • - - Manufacturers Literature (Service Mamual CDP-190/390 dated 1991.1)
  • Auteur
  • Modèle crée par Martin Bösch. Voir les propositions de modification pour les contributeurs supplémentaires.

 Collections | Musées | Littérature

 Forum