Dual Stereo Cassette Deck TC-WR350Z
Sony Corporation; Tokyo
- Pays
- Japon
- Fabricant / Marque
- Sony Corporation; Tokyo
- Année
- 1997
- Catégorie
- Enrégistreur et/ou reproducteur son/video
- Radiomuseum.org ID
- 240280
Cliquez sur la vignette du schéma pour le demander en tant que document gratuit.
- No. de transistors
- Semi-conducteurs présents
- Semi-conducteurs
- Principe général
- Amplification audio
- Gammes d'ondes
- - sans
- Particularités
- Magnétophone à cassettes; Equipement HIFI
- Tension / type courant
- Alimentation Courant Alternatif (CA) / 120 Volt
- Haut-parleur
- - Pour casque ou amplificateur BF
- Matière
- Boitier métallique
- De Radiomuseum.org
- Modèle: Dual Stereo Cassette Deck TC-WR350Z - Sony Corporation; Tokyo
- Forme
- Appareil d'étagère
- Dimensions (LHP)
- 430 x 120 x 305 mm / 16.9 x 4.7 x 12 inch
- Remarques
-
Sony Dual Stereo Cassette Deck Model TC-WR350Z.
4-track 3-channel stereo.
Metal Tape Capability (20 - 20000 Hz).
Power Consumption 18 Watts.
Optional Accessory: Remote Commander Sony RM-J910.
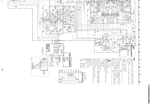
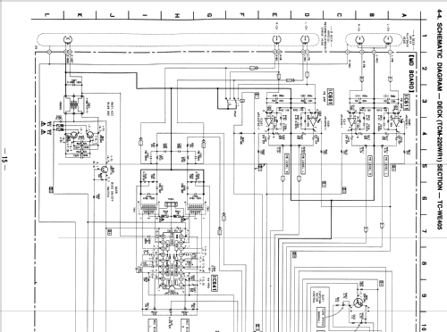
Made in Japan.Service-Unterlagen beim TC-WE405
- Poids net
- 3.8 kg / 8 lb 5.9 oz (8.37 lb)
- Auteur
- Modèle crée par Franz Scharner. Voir les propositions de modification pour les contributeurs supplémentaires.
- D'autres Modèles
-
Vous pourrez trouver sous ce lien 4072 modèles d'appareils, 3929 avec des images et 976 avec des schémas.
Tous les appareils de Sony Corporation; Tokyo