FM/AM Walkman FM Stereo SRF-49 North America
Sony Corporation; Tokyo
- Country
- Japan
- Manufacturer / Brand
- Sony Corporation; Tokyo
- Year
- 1997–2002 ?
- Category
- Broadcast Receiver - or past WW2 Tuner
- Radiomuseum.org ID
- 329028
Click on the schematic thumbnail to request the schematic as a free document.
- Number of Transistors
- Semiconductors present.
- Semiconductors
- Main principle
- Superheterodyne (common); something special ? Please give information (notes)
- Wave bands
- Broadcast (BC) and FM or UHF.
- Power type and voltage
- Dry Batteries / AA 1.5 Volt
- Loudspeaker
- - only for Earphone!
- Power out
- 0.0036 W (undistorted)
- Material
- Plastics (no bakelite or catalin)
- from Radiomuseum.org
- Model: FM/AM Walkman FM Stereo SRF-49 [North America] - Sony Corporation; Tokyo
- Shape
- Very small Portable or Pocket-Set (Handheld) < 8 inch.
- Dimensions (WHD)
- 63 x 92.9 x 26.2 mm / 2.5 x 3.7 x 1 inch
- Notes
-
The Sony SRF-49 offered two major variants, one being the Canadian / E models (aka North America), and the other being the AEP / UK / Australian models, differing in several specifications and features, like AM band coverage, output power and headphones impedance, and FM Mode vs FM Sensitivity. See details below.
Specifications
- Receiver Bands
- FM: 87.5 - 108 MHz, Stereo output
- AM: 530 - 1701 KHz (North America)
- 526.5 - 1606.5 KHz (Italy)
- 530 - 1605 KHz (Other Countries)
- Audio output
- North America and UK: 3.6mW+3.6mW at 10% HD on 32 Ohm headphones
- Other Countries: 4.3mW+4.3mW at 10% HD on 16 Ohm headphones
- Battery life: Approx. 40 hours (North Ameriac and UK), 35 hours (Other Countries
Special technical features
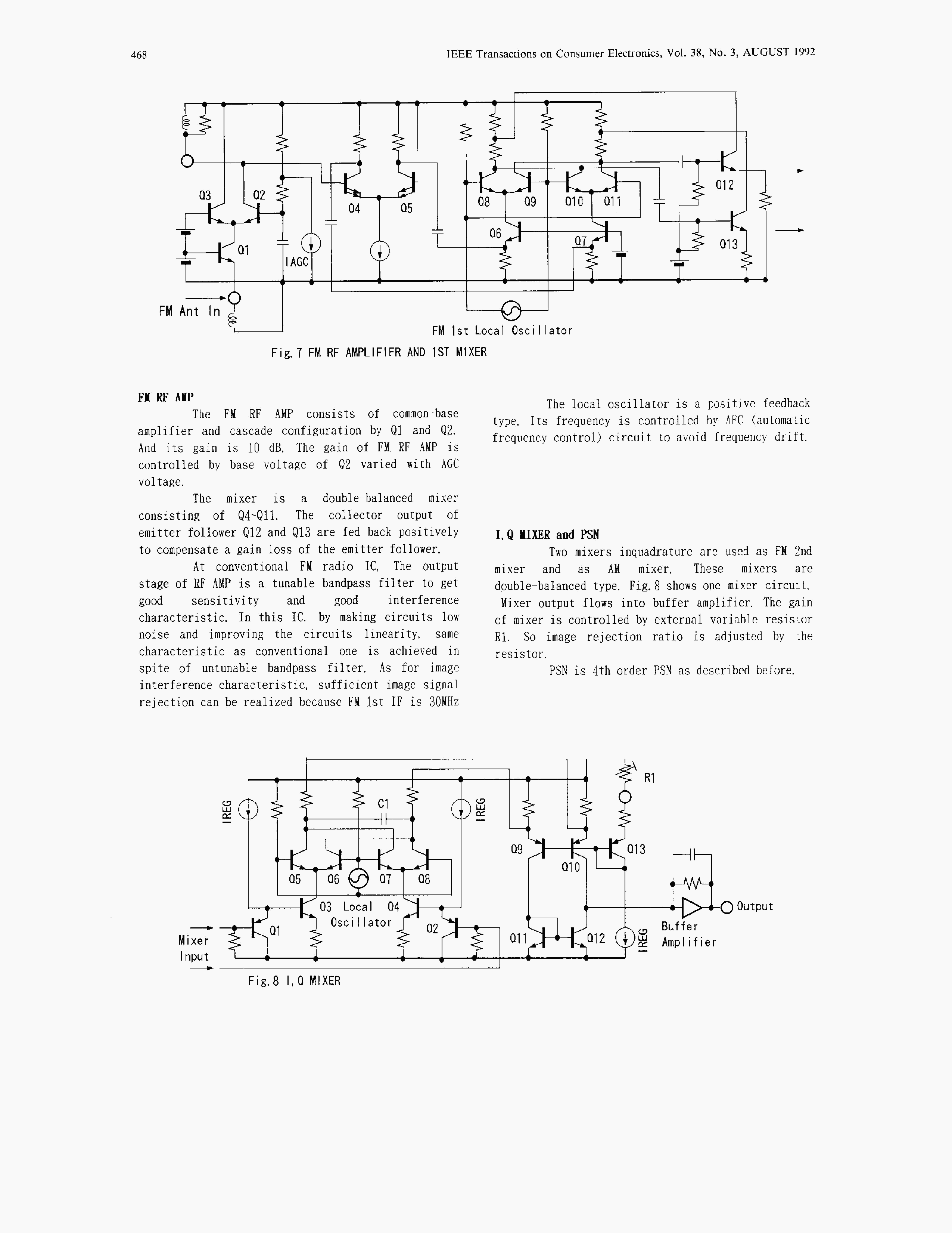
The SRF-49 shares the very special and proprietary Sony CXA1129N-T4 30-pin radio integrated circuit (IC1) with several other Sony pocket radios, like the 1992 SRF-39, the 1992 SRF-85 (Sports edition), the 1999 PSY-03, the 2001 SRF-59, and more recent radios like the SRF-S80, SRF-S83, SRF-S84, and SRF-87.
In 1992 Sony released a technical paper entitled "Advanced Low Voltage Single Chip Radio IC", published on IEEE, describing unconventional techniques at the time to be able to offer excellent AM and FM Stereo sensitivity (S/N 6dB @ 10 dBuV AM, S/N 30 dB @ 10 dBuV FM), sensitivity (40 dB FM, 35 dB AM), image rejection (39 dB FM, 41 dB AM), S/N ratio (50 dB AM, 60 dB FM), low distortion (THD 0.3% AM, THD 0.1% FM), using a working very low power supply voltage at around 0.95 Volt for a new integrated circuit design requiring minimal external parts without compromising the performance.
A complex image cancelling design using two double balanced mixers in quadrature and phase shift network offers very effective image cancelling, using very low IF values without image interference and therefore allowing to use internal active low Q filters (<20).
AM IF is specified at 55KHz.
FM uses Double Conversion, where the 1st IF is specified at 30MHz, and the 2nd IF at 150KHz.
Additional technical details
The CXA1129N-T4 (IC1) is complemented with one LA4537M Stereo Audio Power Amplifier integrated circuit (IC2).
One single PNP Si 2SA733 transistor (Q1) is used on the Canadian and E models variants as a battery power regulator, while the other models variants uses a bypass conductor (Q1).
See also SRF-39.
- Receiver Bands
- Author
- Model page created by Jose Mesquita. See "Data change" for further contributors.
- Other Models
-
Here you find 4069 models, 3926 with images and 975 with schematics for wireless sets etc. In French: TSF for Télégraphie sans fil.
All listed radios etc. from Sony Corporation; Tokyo
Collections
The model FM/AM Walkman FM Stereo is part of the collections of the following members.
Forum contributions about this model: Sony Corporation;: FM/AM Walkman FM Stereo SRF-49
Threads: 1 | Posts: 1
In the early 90's Sony development team has designed an Advanced Low Voltage Single Chip Radio IC that was used exclusively on Sony radios, most of them analog pocket radios.
The radios production using this new technology started at around 1992 and lasted until at least to mid 2000 under the models prefix "SRF" with one exception. Among these radios are the initial SRF-39, followed by the 39FP (Federal Prision with transparent cabinet), SRF-49, SRF-85 (Sports), SRF-PSY03, SRF-59, SRF-S80, SRF-S83, SRF-S84, and SRF-S87 (Sports).
The new radio IC was then marked with the reference CXA1129N and listed with the Sony Code Number 8-752-061-76 in the Sony Service Manuals part list for each radio model.
This CXA1129N IC is able to work with just 0.95Volt at very low current consumption (dc-dc converters are not used in these radios), while offering performance levels only found on professional equipment at the time.
Below is a copy of the Sony paper for an Advanced Low Voltage Single Chip Radio IC submitted to IEEE in 1992, where we can find the technical details of the CXA1129N IC (as far as I know, Sony released a datasheet for this IC).
Attachments
- Sony Advanced Low Voltage Single Chip Radio IC (1992) page 1 (174 KB)
- Sony Advanced Low Voltage Single Chip Radio IC (1992) page 2 (131 KB)
- Sony Advanced Low Voltage Single Chip Radio IC (1992) page 3 (133 KB)
- Sony Advanced Low Voltage Single Chip Radio IC (1992) page 4 (120 KB)
- Sony Advanced Low Voltage Single Chip Radio IC (1992) page 5 (125 KB)
- Sony Advanced Low Voltage Single Chip Radio IC (1992) page 6 (129 KB)
- Sony Advanced Low Voltage Single Chip Radio IC (1992) page 7 (206 KB)
- Sony Advanced Low Voltage Single Chip Radio IC (1992) page 8 (122 KB)
- Sony Advanced Low Voltage Single Chip Radio IC (1992) page 9 (139 KB)
- Sony Advanced Low Voltage Single Chip Radio IC (1992) page 10 (121 KB)
- Sony Advanced Low Voltage Single Chip Radio IC (1992) page 11 (108 KB)
Jose Mesquita, 02.May.21