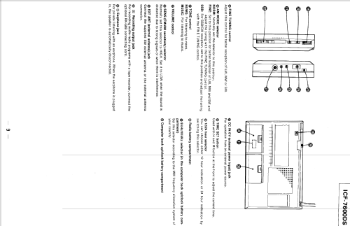
ICF-7600DS
Sony Corporation; Tokyo
- Land
- Japan
- Hersteller / Marke
- Sony Corporation; Tokyo
- Jahr
- 1987–1989
- Kategorie
- Rundfunkempfänger (Radio - oder Tuner nach WW2)
- Radiomuseum.org ID
- 74867
Klicken Sie auf den Schaltplanausschnitt, um diesen kostenlos als Dokument anzufordern.
- Anzahl Transistoren
- Halbleiter vorhanden.
- Halbleiter
- Hauptprinzip
- Super mit Mehrfachmischung; ZF/IF 55395/455 kHz
- Wellenbereiche
- Langwelle, Mittelwelle, mehrere Kurzwellenbänder plus UKW (FM).
- Betriebsart / Volt
- Trockenbatterien
- Lautsprecher
- Dynamischer LS, keine Erregerspule (permanentdynamisch) / Ø 7.7 cm = 3 inch
- Belastbarkeit / Leistung
- 0.4 W (Qualität unbekannt)
- Material
- Plastikgehäuse (nicht Bakelit), Thermoplast
- von Radiomuseum.org
- Modell: ICF-7600DS - Sony Corporation; Tokyo
- Form
- Kleines Reisegerät oder «Taschengerät» < 20 cm.
- Abmessungen (BHT)
- 180 x 120 x 35 mm / 7.1 x 4.7 x 1.4 inch
- Bemerkung
- international model: 153 - 29995 kHz, 76-108 MHz; german model: 153-26100 kHz, 88-108 MHz; AM, SSB (BFO, fine tuning between 5 kHz steps); digital readout 5 kHz, 10 memories, direct keypad frequency entry, clock / timer (identical to US-model ICF-2003).
- Nettogewicht
- 0.6 kg / 1 lb 5.1 oz (1.322 lb)
- Datenherkunft extern
- R.Lichte
- Autor
- Modellseite von Martin Bösch angelegt. Siehe bei "Änderungsvorschlag" für weitere Mitarbeit.
- Weitere Modelle
-
Hier finden Sie 4076 Modelle, davon 3933 mit Bildern und 977 mit Schaltbildern.
Alle gelisteten Radios usw. von Sony Corporation; Tokyo
Sammlungen
Das Modell befindet sich in den Sammlungen folgender Mitglieder.
- Johannes Bernhauser (A)
- Martin Bösch (CH)
- René Goebel † 21.12.23 (D)
- Winfried Höller (D)
- Nico Jacobsen (D)
- Ervé Leclercq (B)
- Felice Nicolini (I)
- Johann Nussbaum (D)
- Jorge Eduardo Pinto-Cubillas (PE)
- Heinz Schmidt (D)
- Dieter Schulte-Kulkmann (D)
- Sándor Selyem-Tóth (H)
- Holger Struthoff (D)
- Davide Tambuchi (I)