ICF-SW07
Sony Corporation; Tokyo
- Land
- Japan
- Hersteller / Marke
- Sony Corporation; Tokyo
- Jahr
- 1998
- Kategorie
- Rundfunkempfänger (Radio - oder Tuner nach WW2)
- Radiomuseum.org ID
- 113439
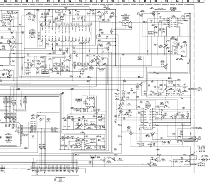
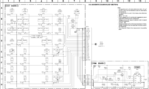
Klicken Sie auf den Schaltplanausschnitt, um diesen kostenlos als Dokument anzufordern.
- Anzahl Transistoren
- Halbleiter vorhanden.
- Halbleiter
- Hauptprinzip
- Super mit Mehrfachmischung; ZF/IF 10700/55.845/455 kHz
- Wellenbereiche
- Langwelle, Mittelwelle, Kurzwelle und UKW.
- Betriebsart / Volt
- Batterien / Niedervolt Stromversorgung (power jack) / AA: 2 × 1,5 / 3 Volt
- Lautsprecher
- Dynamischer LS, keine Erregerspule (permanentdynamisch) / Ø 4 cm = 1.6 inch
- Belastbarkeit / Leistung
- 0.2 W (Qualität unbekannt)
- Material
- Plastikgehäuse (nicht Bakelit), Thermoplast
- von Radiomuseum.org
- Modell: ICF-SW07 - Sony Corporation; Tokyo
- Form
- Kleines Reisegerät oder «Taschengerät» < 20 cm.
- Abmessungen (BHT)
- 135 x 32.5 x 91 mm / 5.3 x 1.3 x 3.6 inch
- Bemerkung
-
Dual conversion SW radio receiver, with digital frequency selection, continuous AM range from 150 kHz to 30 MHz (AM, USB / LSB, SYNC), FM radio broadcasts (FM) and alarm clock function. Optional active antenna AN-LP1.
(KW-Reiseradio mit digitaler Frequenzwahl, durchgehendem AM-Bereich von 150 kHz bis 30 MHz (AM, USB/LSB, SYNC), UKW-Rundfunkbereich (FM) und Weckerfunktion. Optional erhältliche Aktivantenne AN-LP1.)
- Nettogewicht
- 0.220 kg / 0 lb 7.8 oz (0.485 lb)
- Datenherkunft
- -- Original prospect or advert
- Literaturnachweis
- Funkamateur 8/1999
- Weitere Modelle
-
Hier finden Sie 4072 Modelle, davon 3929 mit Bildern und 976 mit Schaltbildern.
Alle gelisteten Radios usw. von Sony Corporation; Tokyo
Sammlungen
Das Modell befindet sich in den Sammlungen folgender Mitglieder.