Walkman WM-B10
Sony Corporation; Tokyo
- Country
- Japan
- Manufacturer / Brand
- Sony Corporation; Tokyo
- Year
- 1988
- Category
- Sound/Video Recorder and/or Player
- Radiomuseum.org ID
- 225644
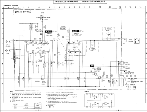
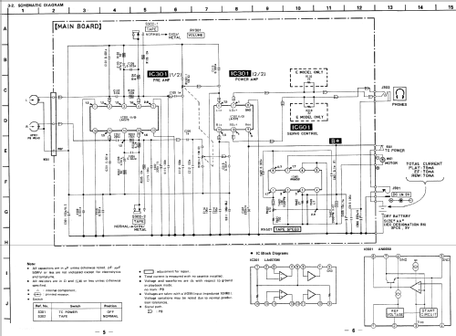
Click on the schematic thumbnail to request the schematic as a free document.
- Number of Transistors
- Semiconductors present.
- Semiconductors
- Main principle
- Audio-Amplification
- Wave bands
- - without
- Power type and voltage
- Dry Batteries / 3 Volt
- Loudspeaker
- Permanent Magnet Dynamic (PDyn) Loudspeaker (moving coil)
- Material
- Plastics (no bakelite or catalin)
- from Radiomuseum.org
- Model: Walkman WM-B10 - Sony Corporation; Tokyo
- Shape
- Very small Portable or Pocket-Set (Handheld) < 8 inch.
- Dimensions (WHD)
- 120 x 95 x 33 mm / 4.7 x 3.7 x 1.3 inch
- Notes
-
3 Ausführungen: schwarz, blau und weiß.
- Author
- Model page created by Wolfgang Bauer. See "Data change" for further contributors.
- Other Models
-
Here you find 4076 models, 3933 with images and 977 with schematics for wireless sets etc. In French: TSF for Télégraphie sans fil.
All listed radios etc. from Sony Corporation; Tokyo
Collections
The model Walkman is part of the collections of the following members.