12A210 Ch= 23U214
Sparks-Withington Co., (Sparton); Jackson, Michigan
- País
- Estados Unidos
- Fabricante / Marca
- Sparks-Withington Co., (Sparton); Jackson, Michigan
- Año
- 1955 ?
- Categoría
- Televisión (TV) o monitor
- Radiomuseum.org ID
- 331185
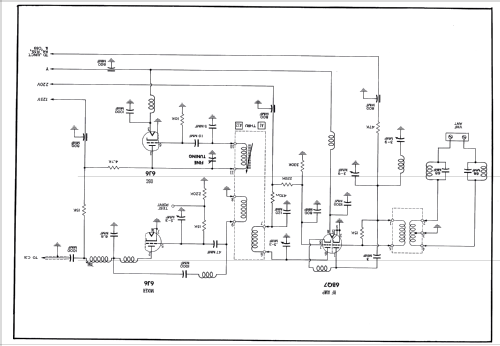
Haga clic en la miniatura esquemática para solicitarlo como documento gratuito.
- Principio principal
- Superheterodino con paso previo de RF
- Tensión de funcionamiento
- Red: Corriente alterna (CA, Inglés = AC) / 60 Hz, 117V = 110 -120 Volt
- de Radiomuseum.org
- Modelo: 12A210 Ch= 23U214 - Sparks-Withington Co., Sparton
- Documentación / Esquemas (1)
- Photofact Folder, Howard W. SAMS (Set 255 Folder 14)
- Documentación / Esquemas (2)
- Photofact Folder, Howard W. SAMS (Set 298 Folder 1 Production Changes Bulletin 138 dated 11-55)
- Autor
- Modelo creado por Dirk Taekels. Ver en "Modificar Ficha" los participantes posteriores.
- Otros modelos
-
Donde encontrará 836 modelos, 374 con imágenes y 782 con esquemas.
Ir al listado general de Sparks-Withington Co., (Sparton); Jackson, Michigan