21CM11 15V215T
Sparks-Withington Co., (Sparton); Jackson, Michigan
- Pays
- Etats-Unis
- Fabricant / Marque
- Sparks-Withington Co., (Sparton); Jackson, Michigan
- Année
- 1956 ?
- Catégorie
- Récepteur de télévision ou moniteur
- Radiomuseum.org ID
- 290710
Cliquez sur la vignette du schéma pour le demander en tant que document gratuit.
- No. de tubes
- 17
- Lampes / Tubes
- 3BC5 5J6 5U8 3CB6 3CB6 5AM8 5AN8 5U8 5T8 12L6GT 12BH7A 3AL5 6SN7GTB 12CU6 12AX4GTA 1B3GT 21ATP4
- Principe général
- Super hétérodyne avec étage HF
- Gammes d'ondes
- Bandes en notes
- Tension / type courant
- Alimentation Courant Alternatif (CA) / 60 cycles, 117V= 110-120 Volt
- Haut-parleur
- HP dynamique à aimant permanent + bobine mobile / Ø 5 inch = 12.7 cm
- Matière
- Boitier en bois
- De Radiomuseum.org
- Modèle: 21CM11 15V215T - Sparks-Withington Co., Sparton
- Forme
- Modèle de table générique
- Remarques
-
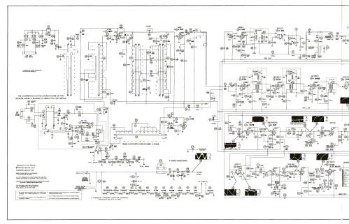
The SPARTON model 21CM11 is a 21" b/w TV with US standard VHF Tuner channels 2 thru 13 .Equipped with VHF-tuner PC70035, chassis 15V215T and picture tube 21ATP4. 2x Selenium Rectifier.
- Schémathèque (1)
- Photofact Folder, Howard W. SAMS (Set 311 Folder 15 Dated 3-56)
- Auteur
- Modèle crée par Dirk Taekels. Voir les propositions de modification pour les contributeurs supplémentaires.
- D'autres Modèles
-
Vous pourrez trouver sous ce lien 836 modèles d'appareils, 374 avec des images et 782 avec des schémas.
Tous les appareils de Sparks-Withington Co., (Sparton); Jackson, Michigan