21TM10 15V215P
Sparks-Withington Co., (Sparton); Jackson, Michigan
- Country
- United States of America (USA)
- Manufacturer / Brand
- Sparks-Withington Co., (Sparton); Jackson, Michigan
- Year
- 1956 ?
- Category
- Television Receiver (TV) or Monitor
- Radiomuseum.org ID
- 290771
Click on the schematic thumbnail to request the schematic as a free document.
- Number of Tubes
- 17
- Valves / Tubes
- 3BC5 5J6 5U8 3CB6 3CB6 5AM8 5AN8 5U8 5T8 12L6GT 12BH7A 3AL5 6SN7GTB 12CU6 12AX4GTA 1B3GT 21ATP4
- Main principle
- Superhet with RF-stage
- Wave bands
- Wave Bands given in the notes.
- Power type and voltage
- Alternating Current supply (AC) / 60 cycles, 117V= 110-120 Volt
- Loudspeaker
- Permanent Magnet Dynamic (PDyn) Loudspeaker (moving coil) / Ø 4 inch = 10.2 cm
- Material
- Wooden case
- from Radiomuseum.org
- Model: 21TM10 15V215P - Sparks-Withington Co., Sparton
- Shape
- Tablemodel, with any shape - general.
- Notes
-
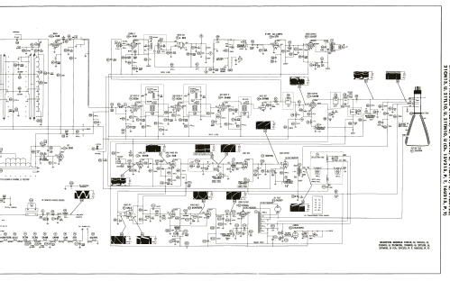
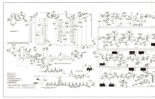
The SPARTON model 21TM10 is a 21" b/w TV with US standard VHF Tuner channels 2 thru 13 .Equipped with VHF-tuner PC70035, chassis 15V215P and picture tube 21ATP4. 2x Selenium Rectifier.
- Literature/Schematics (1)
- Photofact Folder, Howard W. SAMS (Set 311 Folder 15 Dated 3-56)
- Author
- Model page created by Dirk Taekels. See "Data change" for further contributors.
- Other Models
-
Here you find 836 models, 374 with images and 782 with schematics for wireless sets etc. In French: TSF for Télégraphie sans fil.
All listed radios etc. from Sparks-Withington Co., (Sparton); Jackson, Michigan