• Year
  • 1956 ?
  • Category
  • Television Receiver (TV) or Monitor
  • Radiomuseum.org ID
  • 290825

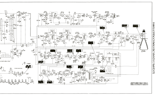
Click on the schematic thumbnail to request the schematic as a free document.

 Technical Specifications

  • Number of Tubes
  • 17
  • Main principle
  • Superhet with RF-stage
  • Wave bands
  • Wave Bands given in the notes.
  • Power type and voltage
  • Alternating Current supply (AC) / 60 cycles, 117V= 110-120 Volt
  • Loudspeaker
  • Permanent Magnet Dynamic (PDyn) Loudspeaker (moving coil) / Ø 4 inch = 10.2 cm
  • Material
  • Wooden case
  • from Radiomuseum.org
  • Model: 21TM10U 16U215T - Sparks-Withington Co., Sparton
  • Shape
  • Tablemodel, with any shape - general.
  • Notes
  • The Sparton model 21TM10U is a 21" b/w TV with US standard VHF Tuner channels 2 thru 13, 14 thru 83 UHF.Equipped with VHF-UHF tuner PD94012, chassis 16U215T and picture tube 21ATP4. 2x Selenium rectifier.
     

  • Author
  • Model page created by Dirk Taekels. See "Data change" for further contributors.

 Collections | Museums | Literature

 Forum