Ch= V25-02AA
Spartan, Div. of Magnavox
- Pays
- Etats-Unis
- Fabricant / Marque
- Spartan, Div. of Magnavox
- Année
- 1958
- Catégorie
- Récepteur de télévision ou moniteur
- Radiomuseum.org ID
- 184712
Cliquez sur la vignette du schéma pour le demander en tant que document gratuit.
- No. de tubes
- 19
- Lampes / Tubes
- 6BC8 6U8 6AU6 6DT6 6AT6 6DG6GT 6BZ6 6BZ6 6CB6 12BY7A 6AU6 12AU7 6CM7 6SN7GTB 6DQ6 1B3GT 6AX4GT 5U4GB 21CBP4 or 24AEP4
- Principe général
- Super hétérodyne avec étage HF
- Gammes d'ondes
- VHF/UHF (voir details en note)
- Tension / type courant
- Alimentation Courant Alternatif (CA) / 60 Hz, 117V = 110 -120 Volt
- Haut-parleur
- HP dynamique à aimant permanent + bobine mobile
- Matière
- Boitier en bois
- De Radiomuseum.org
- Modèle: Ch= V25-02AA - Spartan, Div. of Magnavox
- Forme
- Console avec pieds bas < 50% de la hauteur
- Remarques
-
21" or 24" b/w TV with US standard VHF Tuner, Channels 2 thru 13, 14 thru 83 UHF.
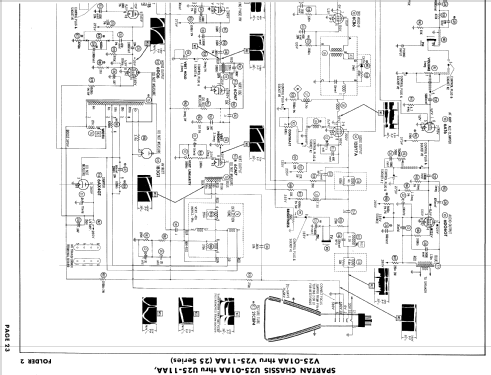
- Schémathèque (1)
- Photofact Folder, Howard W. SAMS (Date 7-58, Set 407, Folder 2)
- Schémathèque (2)
- Photofact Folder, Howard W. SAMS (Set 384 Folder 17-S dated 1-58)
- Auteur
- Modèle crée par Egon Penker. Voir les propositions de modification pour les contributeurs supplémentaires.
- D'autres Modèles
-
Vous pourrez trouver sous ce lien 120 modèles d'appareils, 47 avec des images et 119 avec des schémas.
Tous les appareils de Spartan, Div. of Magnavox