Air Castle TP2201 Ch= X-23
Spiegel Inc. (Continental); Chicago
- Produttore / Marca
- Spiegel Inc. (Continental); Chicago
- Anno
- 1938
- Categoria
- Radio (o sintonizzatore del dopoguerra WW2)
- Radiomuseum.org ID
- 59309
Clicca sulla miniatura dello schema per richiederlo come documento gratuito.
- Numero di tubi
- 6
- Principio generale
- Supereterodina (in generale); ZF/IF 465 kHz
- N. di circuiti accordati
- 6 Circuiti Mod. Amp. (AM)
- Gamme d'onda
- Onde medie (OM), corte (OC) e tropicali/polizia.
- Tensioni di funzionamento
- Batteria di accumulatori, per tutto (es. autoradio, radio amatoriali) / 6 Volt
- Altoparlante
- AP magnetodinamico (magnete permanente e bobina mobile) / Ø 6.5 inch = 16.5 cm
- Materiali
- Mobile in legno
- Radiomuseum.org
- Modello: Air Castle TP2201 Ch= X-23 - Spiegel Inc. Continental;
- Forma
- Soprammobile basso, con andamento orizzontale (grosse dimensioni).
- Dimensioni (LxAxP)
- 19.5 x 11 x 9 inch / 495 x 279 x 229 mm
- Annotazioni
-
Farm radio. Sync. vibrator for +B.
This model has a doublet antenna system included. See also similar models: Model Air Castle TP2200 Ch= X-23, Air Castle TP2202 Ch= X-23 and Air Castle TP2203 Ch= X-23.
- Prezzo nel primo anno
- 33.95 $
- Fonte esterna dei dati
- Ernst Erb
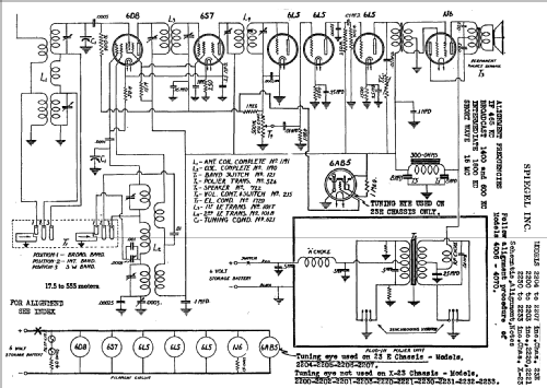
- Riferimenti schemi
- Rider's Perpetual, Volume 10 = 1939 and before
- Bibliografia
- Spiegel Catalogs (Aircastle) (Spring/Summer 1938, No. 145, page 337.)
- Letteratura / Schemi (1)
- Riders 10-31 ,10-36
- Altri modelli
-
In questo link sono elencati 1283 modelli, di cui 558 con immagini e 1048 con schemi.
Elenco delle radio e altri apparecchi della Spiegel Inc. (Continental); Chicago