- País
- Estados Unidos
- Fabricante / Marca
- Spiegel Inc. (Continental); Chicago
- Año
- 1942 ?
- Categoría
- Radio - o Sintonizador pasado WW2
- Radiomuseum.org ID
- 59595
Haga clic en la miniatura esquemática para solicitarlo como documento gratuito.
- Numero de valvulas
- 8
- Principio principal
- Superheterodino en general; ZF/IF 456 kHz
- Número de circuitos sintonía
- 6 Circuíto(s) AM
- Gama de ondas
- OM, OC y banda Pesquera (policia USA)
- Tensión de funcionamiento
- Red: Corriente alterna (CA, Inglés = AC) / 115 Volt
- Altavoz
- Altavoz electrodinámico (bobina de campo)
- de Radiomuseum.org
- Modelo: 701-8AC - Spiegel Inc. Continental;
- Ext. procedencia de los datos
- Ernst Erb
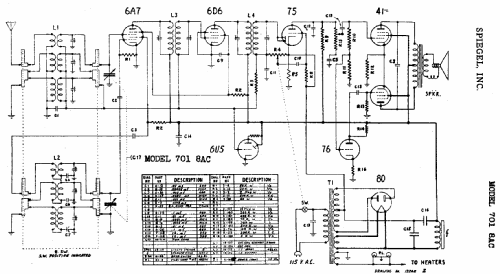
- Referencia esquema
- Rider's Perpetual, Volume 14 = 1944 = before 1943
- Documentación / Esquemas (1)
- Riders 14-11 , 14-12
- Otros modelos
-
Donde encontrará 1283 modelos, 558 con imágenes y 1048 con esquemas.
Ir al listado general de Spiegel Inc. (Continental); Chicago