Aircastle 9
Spiegel Inc. (Continental); Chicago
- País
- Estados Unidos
- Fabricante / Marca
- Spiegel Inc. (Continental); Chicago
- Año
- 1948
- Categoría
- Radio - o Sintonizador pasado WW2
- Radiomuseum.org ID
- 59609
Haga clic en la miniatura esquemática para solicitarlo como documento gratuito.
- Numero de valvulas
- 6
- Principio principal
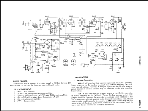
- Superheterodino en general; ZF/IF 455/21750 kHz
- Gama de ondas
- OM y FM
- Tensión de funcionamiento
- Red: Aparato AC/DC. / 105 - 125 Volt
- Altavoz
- Altavoz dinámico (de imán permanente) / Ø 4.5 inch = 11.4 cm
- Material
- Plástico moderno (Nunca bakelita o catalina)
- de Radiomuseum.org
- Modelo: Aircastle 9 - Spiegel Inc. Continental;
- Forma
- Sobremesa de cualquier forma, detalles no conocidos.
- Anotaciones
-
AM: 535-1700kc FM: 88-108MC
- Ext. procedencia de los datos
- Ernst Erb
- Procedencia de los datos
- The Radio Collector's Directory and Price Guide 1921 - 1965
- Referencia esquema
- Rider's Perpetual, Volume 18 = 1949 and before
- Mencionado en
- Photofact Folder, Howard W. SAMS (Vol.5/48 4820-2 Set 50 Folder 2)
- Otros modelos
-
Donde encontrará 1283 modelos, 558 con imágenes y 1048 con esquemas.
Ir al listado general de Spiegel Inc. (Continental); Chicago