Aircastle 782.5C1
Spiegel Inc. (Continental); Chicago
- Country
- United States of America (USA)
- Manufacturer / Brand
- Spiegel Inc. (Continental); Chicago
- Year
- 1955 ?
- Category
- Broadcast Receiver - or past WW2 Tuner
- Radiomuseum.org ID
- 122450
Click on the schematic thumbnail to request the schematic as a free document.
- Number of Tubes
- 5
- Main principle
- Superheterodyne (common); ZF/IF 455 kHz; 2 AF stage(s)
- Tuned circuits
- 6 AM circuit(s)
- Wave bands
- Broadcast only (MW).
- Power type and voltage
- Alternating Current supply (AC) / 117 Volt
- Loudspeaker
- Permanent Magnet Dynamic (PDyn) Loudspeaker (moving coil) / Ø 4 inch = 10.2 cm
- Material
- Plastics (no bakelite or catalin)
- from Radiomuseum.org
- Model: Aircastle 782.5C1 - Spiegel Inc. Continental;
- Shape
- Tablemodel with Clock ((Alarm-) Clock Radio).
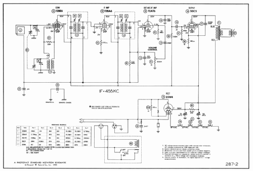
- Literature/Schematics (1)
- Photofact Folder, Howard W. SAMS (Set 287 Folder 2)
- Author
- Model page created by Walter Wiesmüller † May 2012. See "Data change" for further contributors.
- Other Models
-
Here you find 1283 models, 558 with images and 1048 with schematics for wireless sets etc. In French: TSF for Télégraphie sans fil.
All listed radios etc. from Spiegel Inc. (Continental); Chicago