Aircastle 610.F100 Ford
Spiegel Inc. (Continental); Chicago
- Country
- United States of America (USA)
- Manufacturer / Brand
- Spiegel Inc. (Continental); Chicago
- Year
- 1951 ?
- Category
- Car Radio, perhaps also + sound player/recorder
- Radiomuseum.org ID
- 59518
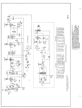
Click on the schematic thumbnail to request the schematic as a free document.
- Number of Tubes
- 6
- Main principle
- Superhet with RF-stage; ZF/IF 455 kHz; 2 AF stage(s)
- Tuned circuits
- 7 AM circuit(s)
- Wave bands
- Broadcast only (MW).
- Power type and voltage
- Storage Battery for all (e.g. for car radios and amateur radios) / 6 Volt
- Loudspeaker
- Permanent Magnet Dynamic (PDyn) Loudspeaker (moving coil) / Ø 5.25 inch = 13.3 cm
- Material
- Metal case
- from Radiomuseum.org
- Model: Aircastle 610.F100 Ford - Spiegel Inc. Continental;
- Shape
- Chassis only or for «building in»
- Notes
-
Aircastle model 61r.F100 is a battery operated custom built automotive superheterodyne receiver. Vibrator foe +B.
- External source of data
- Ernst Erb
- Circuit diagram reference
- Rider's Perpetual, Volume 21, Copyright 1950
- Literature/Schematics (1)
- Photofact Folder, Howard W. SAMS (Date 7-1951, Set 138, Folder 3)
- Other Models
-
Here you find 1282 models, 555 with images and 1047 with schematics for wireless sets etc. In French: TSF for Télégraphie sans fil.
All listed radios etc. from Spiegel Inc. (Continental); Chicago