CB-Mobilfunkgerät xm 3400
Stabo; Hildesheim
- Paese
- Germania
- Produttore / Marca
- Stabo; Hildesheim
- Anno
- 1990 ??
- Categoria
- Apparecchio CB (banda cittadina)
- Radiomuseum.org ID
- 135495
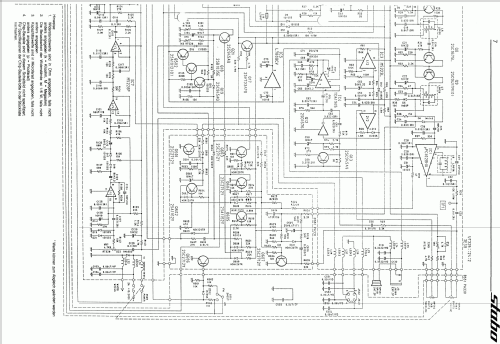
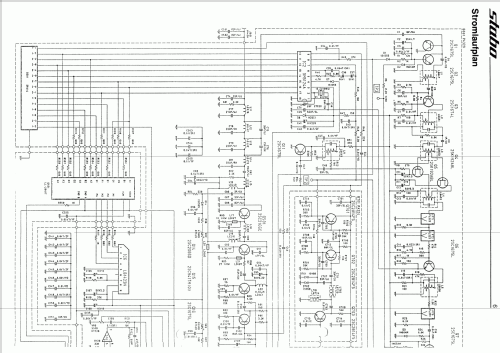
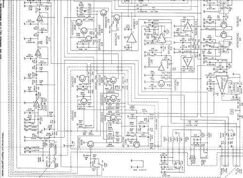
Clicca sulla miniatura dello schema per richiederlo come documento gratuito.
- Numero di transistor
- A semiconduttori.
- Semiconduttori
- Principio generale
- Supereterodina a doppia / tripla conversione; ZF/IF 10700/455 kHz
- Gamme d'onda
- Gamme d'onda nelle note.
- Tensioni di funzionamento
- Batterie (di accumulatori e/o a secco) / 13,8 Volt
- Altoparlante
- AP magnetodinamico (magnete permanente e bobina mobile) / Ø 8 cm = 3.1 inch
- Materiali
- Mobile di metallo
- Radiomuseum.org
- Modello: CB-Mobilfunkgerät xm 3400 - Stabo; Hildesheim
- Forma
- Apparecchio portatile > 20 cm (senza la necessità di una rete)
- Dimensioni (LxAxP)
- 115 x 35 x 195 mm / 4.5 x 1.4 x 7.7 inch
- Annotazioni
- Stabo XM 3400
40 Kanal FM und 12 Kanal AM im 27 MHz-Bereich. Kanalanzeige auf LCD und Signalstärke in LED, Squelch, Ext.SP-Buchse, Dyn.-Mike.
- Peso netto
- 1.5 kg / 3 lb 4.9 oz (3.304 lb)
- Prezzo nel primo anno
- 279.00 DM
- Fonte dei dati
- - - Data from my own collection
- Autore
- Modello inviato da Karlheinz Fischer. Utilizzare "Proponi modifica" per inviare ulteriori dati.
- Altri modelli
-
In questo link sono elencati 88 modelli, di cui 86 con immagini e 54 con schemi.
Elenco delle radio e altri apparecchi della Stabo; Hildesheim
Collezioni
Il modello CB-Mobilfunkgerät fa parte delle collezioni dei seguenti membri.