UHF-Nachrüstsatz 9
Stern-Radio Staßfurt, VEB, RFT (Ostd.) - vorm. Staßfurter (Stassfurter)...
- Country
- Germany
- Manufacturer / Brand
- Stern-Radio Staßfurt, VEB, RFT (Ostd.) - vorm. Staßfurter (Stassfurter)...
- Year
- 1970 ??
- Category
- Pre-stage (adaptor for SW/FM/VHF/UHF incl. built-in), Frequency converter
- Radiomuseum.org ID
- 122325
-
- alternative name: Fernsehgerätewerk Staßfurt
Click on the schematic thumbnail to request the schematic as a free document.
- Wave bands
- Wave Bands given in the notes.
- Power type and voltage
- Powered by external power supply or a main unit.
- Loudspeaker
- - - No sound reproduction output.
- from Radiomuseum.org
- Model: UHF-Nachrüstsatz 9 - Stern-Radio Staßfurt, VEB, RFT
- Shape
- Chassis only or for «building in»
- Notes
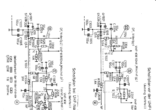
- Nachrüstsatz zum Empfang des UHF-Bandes der Standardklasse II mit Kaskodetuner.
- Literature/Schematics (1)
- Nur Einbauanleitung vorhanden.
- Author
- Model page created by Jörg Kulbe. See "Data change" for further contributors.
- Other Models
-
Here you find 400 models, 325 with images and 312 with schematics for wireless sets etc. In French: TSF for Télégraphie sans fil.
All listed radios etc. from Stern-Radio Staßfurt, VEB, RFT (Ostd.) - vorm. Staßfurter (Stassfurter)...