- Pays
- Australie
- Fabricant / Marque
- Standard Telephones and Cables Pty, Ltd (STC), Sydney
- Année
- 1948
- Catégorie
- Radio - ou tuner d'après la guerre 1939-45
- Radiomuseum.org ID
- 188582
Cliquez sur la vignette du schéma pour le demander en tant que document gratuit.
- No. de tubes
- 5
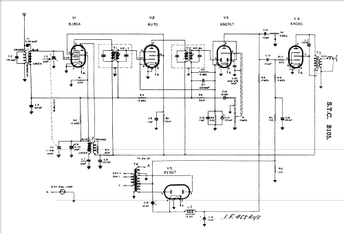
- Principe général
- Super hétérodyne (en général); FI/IF 455 kHz; 2 Etage(s) BF
- Circuits accordés
- 6 Circuits MA (AM)
- Gammes d'ondes
- PO uniquement
- Tension / type courant
- Alimentation Courant Alternatif (CA) / 200; 240 Volt
- Haut-parleur
- HP dynamique à aimant permanent + bobine mobile / Ø 6 inch = 15.2 cm
- De Radiomuseum.org
- Modèle: B105 - Standard Telephones and Cables
- Forme
- Modèle de table générique
- Source du schéma
- Australian Official Radio Service Manual Vol. VII
- Auteur
- Modèle crée par Stuart Irwin. Voir les propositions de modification pour les contributeurs supplémentaires.
- D'autres Modèles
-
Vous pourrez trouver sous ce lien 616 modèles d'appareils, 273 avec des images et 306 avec des schémas.
Tous les appareils de Standard Telephones and Cables Pty, Ltd (STC), Sydney
Collections
Le modèle fait partie des collections des membres suivants.