Transigram TG4080
Standard Telephones and Cables Pty, Ltd (STC), Sydney
- País
- Australia
- Fabricante / Marca
- Standard Telephones and Cables Pty, Ltd (STC), Sydney
- Año
- 1958/1959
- Categoría
- Registrador o reproductor de sonido o visual
- Radiomuseum.org ID
- 296645
Haga clic en la miniatura esquemática para solicitarlo como documento gratuito.
- Numero de valvulas
- 0
- Numero de transistores
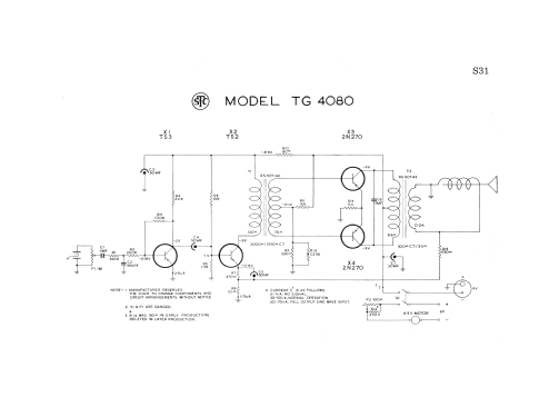
- 4
- Principio principal
- Amplificador de Audio
- Tensión de funcionamiento
- Pilas / 6 & 9 Volt
- Altavoz
- Altavoz dinámico (de imán permanente) / Ø 5 inch = 12.7 cm
- Material
- Cuero/Tela/ Plástico sobre otros materiales
- de Radiomuseum.org
- Modelo: Transigram TG4080 - Standard Telephones and Cables
- Forma
- Portátil > 20 cm (sin la necesidad de una red)
- Ancho, altura, profundidad
- 10.5 x 6.875 x 14.5 inch / 267 x 175 x 368 mm
- Anotaciones
-
STC "Transigram" Transistorised Player Model 4080
Four-speed, four-transistor player in light-weight vinyl-covered case. Operates up to 150 hours of off two internal dry batteries giving equivalent life for motor and amplifier. BSR Model TU9D motor with four-speed switch and fine speed control. Pickup has turover sapphire styli. Heavy-duty 5" speaker. Cabinet fitted with holder for six 7" discs, has stay hinges and collapsible handle. Colours are red/fawn, blue/grey. (FROM MINGAY'S PRICE SERVICE)
Batteries Eveready Types 765 & 509.
Weight includes batteries.
Price one guinea (£1/1/-) extra in WA.
- Peso neto
- 11 lb 12 oz (11.75 lb) / 5.335 kg
- Precio durante el primer año
- 43.05 AUS £ ·
- Mencionado en
- Mingay's Price Service (May 1958 to Feb 1959.)
- Documentación / Esquemas (1)
- -- Original-techn. papers. (STC Radio Service Bulletin Issue No. 133.)
- Documentación / Esquemas (2)
- J.R. Publications Transistor Radio Service Handbook (Vol. 1, 1960, Page S5.)
- Documentación / Esquemas (3)
- J.R. Publications Transistor Radio Service Handbook (A Series Handbook Page S31.)
- Documentación / Esquemas (4)
- May 1958 to Feb 1959.
- Autor
- Modelo creado por Martin Kent. Ver en "Modificar Ficha" los participantes posteriores.
- Otros modelos
-
Donde encontrará 616 modelos, 273 con imágenes y 306 con esquemas.
Ir al listado general de Standard Telephones and Cables Pty, Ltd (STC), Sydney