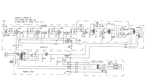
8 Tube Receiver
Sterling Manuf. Co.; Cleveland, Ohio
- País
- Estados Unidos
- Fabricante / Marca
- Sterling Manuf. Co.; Cleveland, Ohio
- Año
- 1930
- Categoría
- Radio - o Sintonizador pasado WW2
- Radiomuseum.org ID
- 59999
Haga clic en la miniatura esquemática para solicitarlo como documento gratuito.
- Numero de valvulas
- 8
- Válvulas
- Principio principal
- RFS sin reacción; 2 Etapas de AF; Screengrid 1926-1935
- Número de circuitos sintonía
- 4 Circuíto(s) AM
- Gama de ondas
- OM (onda media) solamente
- Tensión de funcionamiento
- Red: Corriente alterna (CA, Inglés = AC) / 110; 120 Volt
- Altavoz
- Altavoz electrodinámico (bobina de campo)
- Material
- Madera
- de Radiomuseum.org
- Modelo: 8 Tube Receiver - Sterling Manuf. Co.; Cleveland
- Forma
- Consola en general
- Anotaciones
- Push-pull audio amplifier.
- Ext. procedencia de los datos
- Ernst Erb
- Procedencia de los datos
- The Radio Collector's Directory and Price Guide 1921 - 1965
- Referencia esquema
- Rider's Perpetual, Volume 1 = 1931/1934 (for 1919-1931)
- Mencionado en
- Rider's 1-5
- Otros modelos
-
Donde encontrará 60 modelos, 37 con imágenes y 31 con esquemas.
Ir al listado general de Sterling Manuf. Co.; Cleveland, Ohio
Colecciones
El modelo 8 Tube Receiver es parte de las colecciones de los siguientes miembros.