- Pays
- Allemagne
- Fabricant / Marque
- Stern-Radio Berlin, VEB, RFT, (Kombinat); - vorm. Phonetika Radio (Ostd.) - vorm. Loewe Opta AG
- Année
- 1989/1990 ?
- Catégorie
- Amplificateur BF ou mélangeur BF
- Radiomuseum.org ID
- 82212
-
- alternative name: Phonetika Radio Berlin, VEB; Berlin, (Ostd.)
Cliquez sur la vignette du schéma pour le demander en tant que document gratuit.
- No. de transistors
- 26
- Semi-conducteurs
- Principe général
- Amplification audio
- Gammes d'ondes
- - sans
- Tension / type courant
- Alimentation Courant Alternatif (CA) / 220 Volt
- Haut-parleur
- - Ce modèle nécessite des HP externes
- Puissance de sortie
- 60 W (sans distorsion)
- Matière
- Boitier métallique
- De Radiomuseum.org
- Modèle: HMK-V 200 - Stern-Radio Berlin, VEB, RFT,
- Forme
- Appareil d'étagère
- Dimensions (LHP)
- 390 x 60 x 300 mm / 15.4 x 2.4 x 11.8 inch
- Remarques
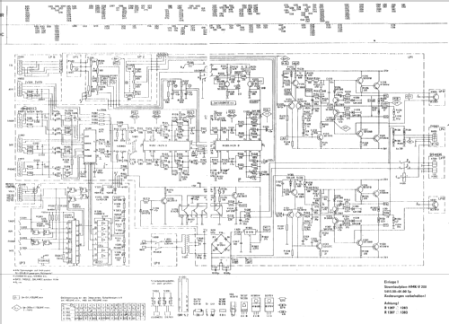
- Der Verstärker HMKV200 ist eine Weiterentwicklung des HMKV100 aus dem gleichen Betrieb. Die Quellenumschaltung erfolgt jetzt mit Tipptasten, die Ausgangsleistung beträgt 2 x 30 Watt. Zur Steuerung und zur Vorverstärkung sind 7 Schaltkreise eingesetzt. Eine Einschaltverzögerung der Lautsprecher und Schutzschaltungen für Übertemperatur und Überstrom in den Endstufen sorgen für einen sicheren Betrieb der transistorisierten Endverstärker.
- Poids net
- 5 kg / 11 lb 0.2 oz (11.013 lb)
- Prix de mise sur le marché
- 1,130.00 DM
- Source
- Radiokatalog Band 2, Ernst Erb
- Littérature
- -- Schematic
- Schémathèque (1)
- Service-DVD Funkverlag B. Hein
- Auteur
- Modèle crée par Bernd Pötzsch. Voir les propositions de modification pour les contributeurs supplémentaires.
- D'autres Modèles
-
Vous pourrez trouver sous ce lien 234 modèles d'appareils, 216 avec des images et 175 avec des schémas.
Tous les appareils de Stern-Radio Berlin, VEB, RFT, (Kombinat); - vorm. Phonetika Radio (Ostd.) - vorm. Loewe Opta AG
Collections
Le modèle fait partie des collections des membres suivants.