Graetz 65WS EL11
Stern-Radio Rochlitz, VEB, RFT, (Ostd.) - vorm. Graetz AG
- Country
- Germany
- Manufacturer / Brand
- Stern-Radio Rochlitz, VEB, RFT, (Ostd.) - vorm. Graetz AG
- Year
- 1946/1947
- Category
- Broadcast Receiver - or past WW2 Tuner
- Radiomuseum.org ID
- 16661
Click on the schematic thumbnail to request the schematic as a free document.
- Number of Tubes
- 6
- Number of Transistors
- Semiconductors
- Sirutor
- Main principle
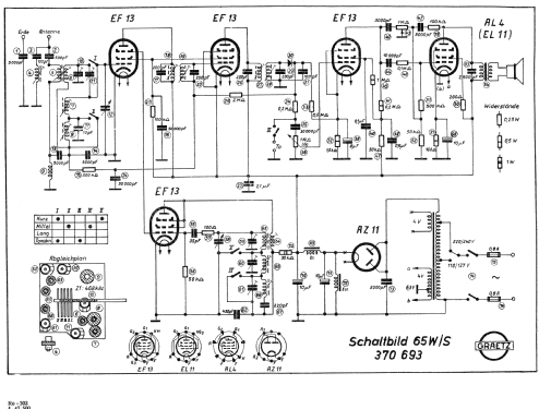
- Superheterodyne (common); ZF/IF 468 kHz
- Tuned circuits
- 6 AM circuit(s)
- Wave bands
- Broadcast, Long Wave and Short Wave.
- Power type and voltage
- Alternating Current supply (AC) / 110/220 Volt
- Loudspeaker
- Electro Magnetic Dynamic LS (moving-coil with field excitation coil)
- from Radiomuseum.org
- Model: Graetz 65WS [EL11] - Stern-Radio Rochlitz, VEB, RFT
- External source of data
- E. Erb 3-907007-36-0
- Source of data
- -- Schematic / Radiokatalog Band 2, Ernst Erb
- Circuit diagram reference
- Hermann Rottmann und Fred P. Langheinrich hatten mir dieses Gerät erstmals bekannt gemacht. Sie verfügen jedoch nicht über Schaltungen darüber oder weitere Informationen, sondern haben mir bei der Recherche geholfen. Danke.
- Mentioned in
- Das Elektro-Handwerk Jg. 5 (1951) H.6, Seite BR8 - BR9
- Other Models
-
Here you find 113 models, 104 with images and 88 with schematics for wireless sets etc. In French: TSF for Télégraphie sans fil.
All listed radios etc. from Stern-Radio Rochlitz, VEB, RFT, (Ostd.) - vorm. Graetz AG