1428 Ch= R-142
Stewart Warner Corp.; Chicago (IL)
- Produttore / Marca
- Stewart Warner Corp.; Chicago (IL)
- Anno
- 1936
- Categoria
- Radio (o sintonizzatore del dopoguerra WW2)
- Radiomuseum.org ID
- 60785
-
- Brand: Ferrodyne
Clicca sulla miniatura dello schema per richiederlo come documento gratuito.
- Numero di tubi
- 5
- Principio generale
- Supereterodina (in generale); ZF/IF 456 kHz
- N. di circuiti accordati
- 6 Circuiti Mod. Amp. (AM)
- Gamme d'onda
- Onde medie (OM) e corte (OC).
- Tensioni di funzionamento
- Alimentazione a corrente alternata (CA) / 115 Volt
- Altoparlante
- AP elettrodinamico (bobina mobile e bobina di eccitazione/di campo)
- Radiomuseum.org
- Modello: 1428 Ch= R-142 - Stewart Warner Corp.; Chicago
- Annotazioni
- Model 1428 uses chassis R142; mains supply 115 V (60 cycles) or 115 V (25 cycles).
- Fonte esterna dei dati
- Ernst Erb
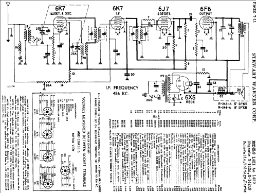
- Riferimenti schemi
- Rider's Perpetual, Volume 7 = 1936 and before
- Altri modelli
-
In questo link sono elencati 2132 modelli, di cui 402 con immagini e 1990 con schemi.
Elenco delle radio e altri apparecchi della Stewart Warner Corp.; Chicago (IL)