- Country
- United States of America (USA)
- Manufacturer / Brand
- Stewart Warner Corp.; Chicago (IL)
- Year
- 1941 ??
- Category
- Broadcast Receiver - or past WW2 Tuner
- Radiomuseum.org ID
- 60953
-
- Brand: Ferrodyne
Click on the schematic thumbnail to request the schematic as a free document.
- Number of Tubes
- 7
- Main principle
- Superheterodyne (common); ZF/IF 455 kHz
- Tuned circuits
- 6 AM circuit(s)
- Wave bands
- Broadcast and Short Wave (SW).
- Details
- Record Player (perh.Changer)
- Power type and voltage
- Alternating Current supply (AC) / 117 Volt
- Loudspeaker
- Permanent Magnet Dynamic (PDyn) Loudspeaker (moving coil)
- from Radiomuseum.org
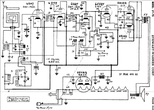
- Model: 17-7B - Stewart Warner Corp.; Chicago
- Notes
- Built-in loop antenna; push-pull af output stage.
- External source of data
- Ernst Erb
- Circuit diagram reference
- Rider's Perpetual, Volume 14 = 1944 = before 1943
- Other Models
-
Here you find 2133 models, 403 with images and 1991 with schematics for wireless sets etc. In French: TSF for Télégraphie sans fil.
All listed radios etc. from Stewart Warner Corp.; Chicago (IL)