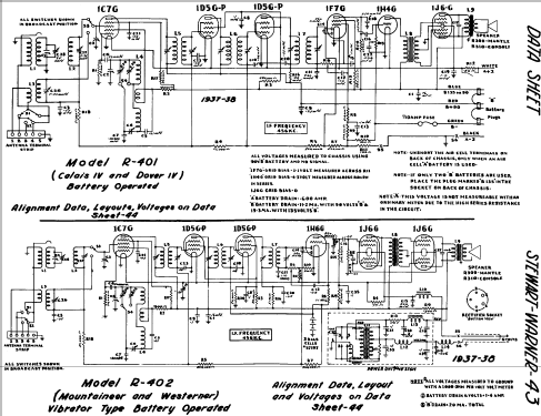
Dover IV Ch= R-401
Stewart Warner; Ontario
- Country
- Canada
- Manufacturer / Brand
- Stewart Warner; Ontario
- Year
- 1937/1938
- Category
- Broadcast Receiver - or past WW2 Tuner
- Radiomuseum.org ID
- 147776
Click on the schematic thumbnail to request the schematic as a free document.
- Number of Tubes
- 6
- Main principle
- Superheterodyne (common); ZF/IF 456 kHz
- Tuned circuits
- 9 AM circuit(s)
- Wave bands
- Broadcast and Short Wave (SW).
- Power type and voltage
- Storage and/or dry batteries / ? & 135 Volt
- Loudspeaker
- Permanent or electro-dynamic (moving coil), system not known yet.
- from Radiomuseum.org
- Model: Dover IV Ch= R-401 - Stewart Warner; Ontario
- Notes
- Push-pull af output stage.
- Circuit diagram reference
- Radio College of Canada
- Mentioned in
- RCC Stewart-Warner Sheet 43, 44
- Author
- Model page created by Hans-Joachim Korn † 16.11.15. See "Data change" for further contributors.
- Other Models
-
Here you find 326 models, 69 with images and 318 with schematics for wireless sets etc. In French: TSF for Télégraphie sans fil.
All listed radios etc. from Stewart Warner; Ontario