1105 (Series No. 10-11) Ch= 112009 The Vagabond
Stromberg-Carlson Co. ; Rochester (NY)
- Produttore / Marca
- Stromberg-Carlson Co. ; Rochester (NY)
- Anno
- 1946/1947
- Categoria
- Radio (o sintonizzatore del dopoguerra WW2)
- Radiomuseum.org ID
- 61894
-
- Brand: Te-Lek-Tor-Et
Clicca sulla miniatura dello schema per richiederlo come documento gratuito.
- Numero di tubi
- 6
- Principio generale
- Supereterodina con stadio RF; ZF/IF 455 kHz; 2 Stadi BF
- N. di circuiti accordati
- 7 Circuiti Mod. Amp. (AM)
- Gamme d'onda
- Solo onde medie (OM).
- Tensioni di funzionamento
- Rete / Batterie (ogni tipo) / AC/DC 105-125/ 90 & 9 Volt
- Altoparlante
- AP magnetodinamico (magnete permanente e bobina mobile) / Ø 5 inch = 12.7 cm
- Potenza d'uscita
- 0.18 W (qualità ignota)
- Materiali
- Pelle / stoffa / plastica ma con altro materiale sottostante
- Radiomuseum.org
- Modello: 1105 Ch= 112009 [The Vagabond] - Stromberg-Carlson Co. ;
- Forma
- Apparecchio portatile > 20 cm (senza la necessità di una rete)
- Annotazioni
- Stromberg-Carlson 1105 (Series No. 10-11) Ch= 112009;
25 W mains power consumption, cabinet #108025, speaker # 155013. Built-in loop antenna.
- Fonte esterna dei dati
- Ernst Erb
- Fonte dei dati
- The Radio Collector's Directory and Price Guide 1921 - 1965
- Riferimenti schemi
- Rider's Perpetual, Volume 16 = ca. 1948 and before
- Bibliografia
- Collector's Guide to Antique Radios 4. Edition
- Letteratura / Schemi (1)
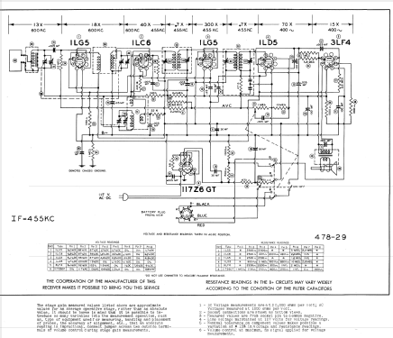
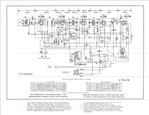
- Photofact Folder, Howard W. SAMS (Set 18, Folder 478-29)
- Letteratura / Schemi (2)
- Radio Retailing (Radio & Television R.) (June 1946 page 24. July 1947 page 26.)
- Altri modelli
-
In questo link sono elencati 886 modelli, di cui 497 con immagini e 762 con schemi.
Elenco delle radio e altri apparecchi della Stromberg-Carlson Co. ; Rochester (NY)
Collezioni
Il modello 1105 (Series No. 10-11) fa parte delle collezioni dei seguenti membri.