K-22HCW Series K-22
Stromberg-Carlson Co. ; Rochester (NY)
- Produttore / Marca
- Stromberg-Carlson Co. ; Rochester (NY)
- Anno
- 1956 ?
- Categoria
- Televisore (TV) / Monitor
- Radiomuseum.org ID
- 337509
-
- Brand: Te-Lek-Tor-Et
Clicca sulla miniatura dello schema per richiederlo come documento gratuito.
- Numero di tubi
- 21
- Valvole
- 6T4 6BQ7A 6AT8 6CB6 6CB6 6CB6 6AN8 12AU7A 6AU6 6T8 12L6GT 6CS6 12AU7A 6C4 6S4 6SN7GTA 6CU6 6AX4GT 1B3GT 5U4GB 21AUP4A
- Principio generale
- Supereterodina con stadio RF
- Gamme d'onda
- Gamme d'onda nelle note.
- Tensioni di funzionamento
- Alimentazione a corrente alternata (CA) / 60 Hz, 117V = 110 -120 Volt
- Altoparlante
- AP magnetodinamico (magnete permanente e bobina mobile)
- Materiali
- Mobile in legno
- Radiomuseum.org
- Modello: K-22HCW Series K-22 - Stromberg-Carlson Co. ;
- Forma
- Soprammobile con qualsiasi forma (non saputo).
- Annotazioni
-
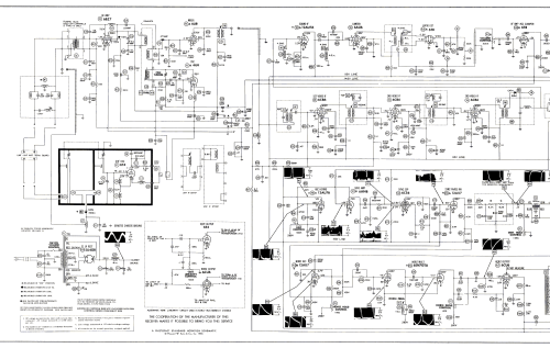
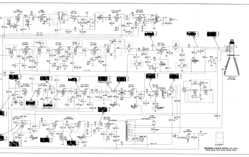
Stromberg-Carlson model K-22HCW is a 21” b/w TV with US standard VHF tuner channels 2 thru 13, and 14 thru 83 UHF. Equipped with VHF- UHF tuner 164040 and picture tube 21AUP4A.
- Letteratura / Schemi (1)
- Photofact Folder, Howard W. SAMS (Set 308 Folder 13 dated 3-56)
- Autore
- Modello inviato da Dirk Taekels. Utilizzare "Proponi modifica" per inviare ulteriori dati.
- Altri modelli
-
In questo link sono elencati 886 modelli, di cui 497 con immagini e 762 con schemi.
Elenco delle radio e altri apparecchi della Stromberg-Carlson Co. ; Rochester (NY)