K-22TQ Series K-22
Stromberg-Carlson Co. ; Rochester (NY)
- Land
- USA
- Hersteller / Marke
- Stromberg-Carlson Co. ; Rochester (NY)
- Jahr
- 1956 ?
- Kategorie
- Fernseh-Empfänger/Monitor
- Radiomuseum.org ID
- 337512
-
- Marke: Te-Lek-Tor-Et
Klicken Sie auf den Schaltplanausschnitt, um diesen kostenlos als Dokument anzufordern.
- Anzahl Röhren
- 21
- Röhren
- 6T4 6BQ7A 6AT8 6CB6 6CB6 6CB6 6AN8 12AU7A 6AU6 6T8 12L6GT 6CS6 12AU7A 6C4 6S4 6SN7GTA 6CU6 6AX4GT 1B3GT 5U4GB 21AUP4A
- Hauptprinzip
- Super mit HF-Vorstufe
- Wellenbereiche
- Wellen in den Bemerkungen.
- Betriebsart / Volt
- Wechselstromspeisung / 60 Hz, 117V = 110 -120 Volt
- Lautsprecher
- Dynamischer LS, keine Erregerspule (permanentdynamisch)
- Material
- Gerät mit Holzgehäuse
- von Radiomuseum.org
- Modell: K-22TQ Series K-22 - Stromberg-Carlson Co. ;
- Form
- Tischmodell, Zusatz nicht bekannt - allgemein.
- Bemerkung
-
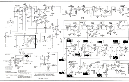
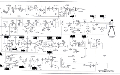
Stromberg-Carlson model K-22TQ is a 21” b/w TV with US standard VHF tuner channels 2 thru 13, and 14 thru 83 UHF. Equipped with VHF- UHF tuner 164040 and picture tube 21AUP4A.
- Literatur/Schema (1)
- Photofact Folder, Howard W. SAMS (Set 308 Folder 13 dated 3-56)
- Autor
- Modellseite von Dirk Taekels angelegt. Siehe bei "Änderungsvorschlag" für weitere Mitarbeit.
- Weitere Modelle
-
Hier finden Sie 886 Modelle, davon 497 mit Bildern und 762 mit Schaltbildern.
Alle gelisteten Radios usw. von Stromberg-Carlson Co. ; Rochester (NY)