KH-21CB Series KH-21
Stromberg-Carlson Co. ; Rochester (NY)
- Pays
- Etats-Unis
- Fabricant / Marque
- Stromberg-Carlson Co. ; Rochester (NY)
- Année
- 1956 ?
- Catégorie
- Récepteur de télévision ou moniteur
- Radiomuseum.org ID
- 337428
-
- Brand: Te-Lek-Tor-Et
Cliquez sur la vignette du schéma pour le demander en tant que document gratuit.
- No. de tubes
- 20
- Lampes / Tubes
- 6BQ7A 6AT8 6CB6 6CB6 6CB6 6AN8 12AU7A 6AU6 6T8 12L6GT 6CS6 12AU7A 6C4 6S4 6SN7GTA 6CU6 6AX4GT 1B3GT 5U4GB 21AUP4A
- Principe général
- Super hétérodyne avec étage HF
- Gammes d'ondes
- Bandes en notes
- Tension / type courant
- Alimentation Courant Alternatif (CA) / 60 Hz, 117V = 110 -120 Volt
- Haut-parleur
- HP dynamique à aimant permanent + bobine mobile
- Matière
- Boitier en bois
- De Radiomuseum.org
- Modèle: KH-21CB Series KH-21 - Stromberg-Carlson Co. ;
- Forme
- Modèle de table générique
- Remarques
-
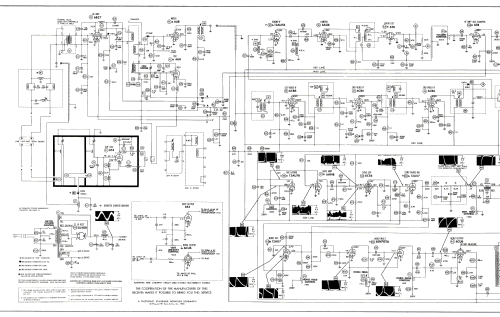
Stromberg-Carlson model KH-21CB Series KH-21 is a 21” b/w TV with US standard VHF tuner channels 2 thru 13. Equipped with VHF tuner 164044 and picture tube 21AUP4A.
- Schémathèque (1)
- Photofact Folder, Howard W. SAMS (Set 308 Folder 13 dated 3-56)
- Auteur
- Modèle crée par Dirk Taekels. Voir les propositions de modification pour les contributeurs supplémentaires.
- D'autres Modèles
-
Vous pourrez trouver sous ce lien 886 modèles d'appareils, 497 avec des images et 762 avec des schémas.
Tous les appareils de Stromberg-Carlson Co. ; Rochester (NY)