• Year
  • 1956 ?
  • Category
  • Television Receiver (TV) or Monitor
  • Radiomuseum.org ID
  • 337549
    • Brand: Te-Lek-Tor-Et

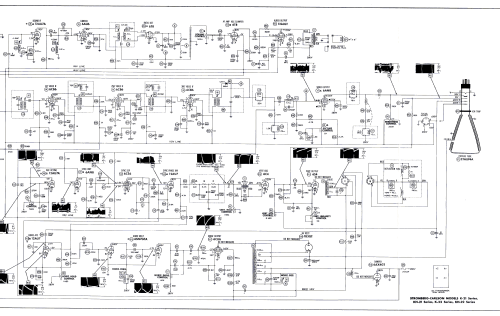
Click on the schematic thumbnail to request the schematic as a free document.

 Technical Specifications

  • Number of Tubes
  • 21
  • Main principle
  • Superhet with RF-stage
  • Wave bands
  • Wave Bands given in the notes.
  • Power type and voltage
  • Alternating Current supply (AC) / 60 Hz, 117V = 110 -120 Volt
  • Loudspeaker
  • Permanent Magnet Dynamic (PDyn) Loudspeaker (moving coil)
  • Material
  • Wooden case
  • from Radiomuseum.org
  • Model: KH-22HM Series KH-22 - Stromberg-Carlson Co. ;
  • Shape
  • Tablemodel, with any shape - general.
  • Notes
  • Stromberg-Carlson model KH-22HM is a 21” b/w TV with US standard VHF tuner channels 2 thru 13, and 14 thru 83 UHF. Equipped with VHF- UHF tuner 164040 and picture tube 21AUP4A.

  • Author
  • Model page created by Dirk Taekels. See "Data change" for further contributors.

 Collections | Museums | Literature

 Forum