Tuner Amplifier SR-405
Stromberg-Carlson Co. ; Rochester (NY)
- País
- Estados Unidos
- Fabricante / Marca
- Stromberg-Carlson Co. ; Rochester (NY)
- Año
- 1953 ?
- Categoría
- Radio - o Sintonizador pasado WW2
- Radiomuseum.org ID
- 266051
-
- Brand: Te-Lek-Tor-Et
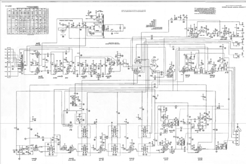
Haga clic en la miniatura esquemática para solicitarlo como documento gratuito.
- Numero de valvulas
- 16
- Válvulas
- Principio principal
- Superheterodino en general
- Gama de ondas
- OM y FM
- Tensión de funcionamiento
- Red: Corriente alterna (CA, Inglés = AC) / 50-60 cycles, 117 Volt
- Altavoz
- - Este modelo usa altavoz exterior (1 o más).
- Potencia de salida
- 10 W (max.)
- Material
- Metálico
- de Radiomuseum.org
- Modelo: Tuner Amplifier SR-405 - Stromberg-Carlson Co. ;
- Forma
- Unidad para estanteria.
- Ancho, altura, profundidad
- 13.25 x 8 x 12 inch / 337 x 203 x 305 mm
- Anotaciones
-
Stromberg-Carlson Receiver-Amplifier Combination Model SR-405.
SR-401 FM-AM Tuner and AR-410 10 Watt Amplifier
- Mencionado en
- -- Original prospect or advert (Audio Engineering September 1953 - Page 37)
- Autor
- Modelo creado por Franz Scharner. Ver en "Modificar Ficha" los participantes posteriores.
- Otros modelos
-
Donde encontrará 886 modelos, 497 con imágenes y 762 con esquemas.
Ir al listado general de Stromberg-Carlson Co. ; Rochester (NY)
Colecciones
El modelo Tuner Amplifier es parte de las colecciones de los siguientes miembros.