17P101 Ch= 1-537-4
Sylvania (Hygrade, GTE, Nilco); Emporium (PA)
- Country
- United States of America (USA)
- Manufacturer / Brand
- Sylvania (Hygrade, GTE, Nilco); Emporium (PA)
- Year
- 1957 ?
- Category
- Television Receiver (TV) or Monitor
- Radiomuseum.org ID
- 317416
Click on the schematic thumbnail to request the schematic as a free document.
- Number of Tubes
- 17
- Valves / Tubes
- 2AF4A 4BQ7A 5AT8 3BZ6 3BZ6 3BZ6 12BY7A 5BR8 5T8 5AQ5 3CS6 10DE7 6CG7 12DQ6A 12AX4GT 1B3GT 17BVP4 or 17BWP4
- Main principle
- Superhet with RF-stage
- Wave bands
- Wave Bands given in the notes.
- Power type and voltage
- Alternating Current supply (AC) / 60 Hz, 117V = 110 -120 Volt
- Loudspeaker
- Permanent Magnet Dynamic (PDyn) Loudspeaker (moving coil) / Ø 4 inch = 10.2 cm
- Material
- Metal case
- from Radiomuseum.org
- Model: 17P101 Ch= 1-537-4 - Sylvania Hygrade, GTE, Nilco;
- Shape
- Tablemodel, with any shape - general.
- Notes
-
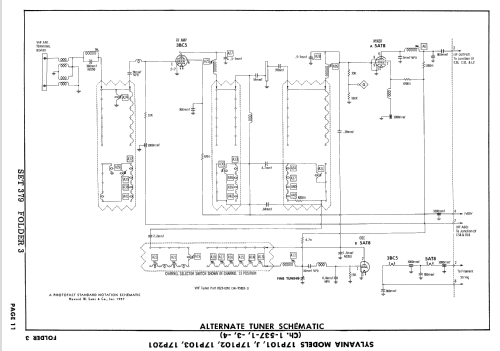
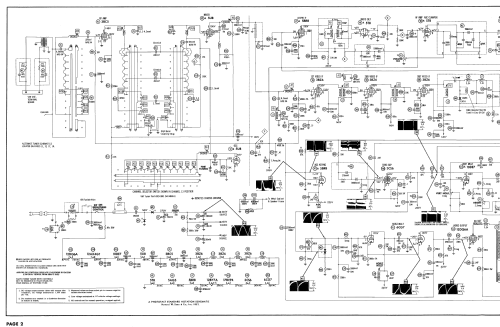
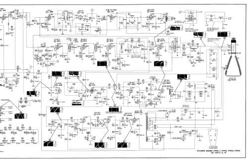
Sylvania model 17P101 is a 17" b/w TV with US standard VHF tuner channels 2 thru 13, and 14 thru 83 UHF. Equipped with chassis 1-537-4, VHF- tuner 54-95604-1, UHF-tuner 54-93870-4 and picture tube 17BVP4 or 17BWP4.
- Literature/Schematics (1)
- Photofact Folder, Howard W. SAMS (Set 379 Folder 3 dated 11-57)
- Author
- Model page created by Dirk Taekels. See "Data change" for further contributors.
- Other Models
-
Here you find 1144 models, 459 with images and 1017 with schematics for wireless sets etc. In French: TSF for Télégraphie sans fil.
All listed radios etc. from Sylvania (Hygrade, GTE, Nilco); Emporium (PA)