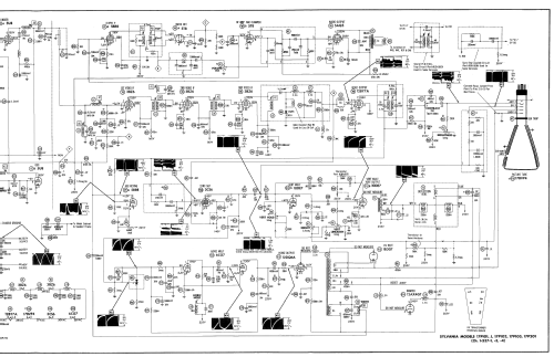
17P201 Ch= 1-537-4
Sylvania (Hygrade, GTE, Nilco); Emporium (PA)
- País
 - Estados Unidos
 
- Fabricante / Marca
 - Sylvania (Hygrade, GTE, Nilco); Emporium (PA)
 
- Año
 - 1957 ?
 
- Categoría
 - Televisión (TV) o monitor
 
- Radiomuseum.org ID
 - 317420
 
Haga clic en la miniatura esquemática para solicitarlo como documento gratuito.
- Numero de valvulas
 - 17
 
- Válvulas
 - 2AF4A 4BQ7A 5AT8 3BZ6 3BZ6 3BZ6 12BY7A 5BR8 5T8 5AQ5 3CS6 10DE7 6CG7 12DQ6A 12AX4GT 1B3GT 17BVP4 or 17BWP4
 
- Principio principal
 - Superheterodino con paso previo de RF
 
- Gama de ondas
 - Bandas de recepción puestas en notas.
 
- Tensión de funcionamiento
 - Red: Corriente alterna (CA, Inglés = AC) / 60 Hz, 117V = 110 -120 Volt
 
- Altavoz
 - Altavoz dinámico (de imán permanente) / Ø 4 inch = 10.2 cm
 
- Material
 - Metálico
 
- de Radiomuseum.org
 - Modelo: 17P201 Ch= 1-537-4 - Sylvania Hygrade, GTE, Nilco;
 
- Forma
 - Sobremesa de cualquier forma, detalles no conocidos.
 
- Anotaciones
 - 
        
Sylvania model 17P201 is a 17" b/w TV with US standard VHF tuner channels 2 thru 13, and 14 thru 83 UHF. Equipped with chassis 1-537-4, VHF- tuner 54-95604-1, UHF-tuner 54-93870-4 and picture tube 17BVP4 or 17BWP4.
 
- Documentación / Esquemas (1)
 - Photofact Folder, Howard W. SAMS (Set 379 Folder 3 dated 11-57)
 
- Autor
 - Modelo creado por Dirk Taekels. Ver en "Modificar Ficha" los participantes posteriores.
 
- Otros modelos
 - 
        
Donde encontrará 1144 modelos, 459 con imágenes y 1017 con esquemas.
Ir al listado general de Sylvania (Hygrade, GTE, Nilco); Emporium (PA)