1-125 Ch= 1-139
Sylvania (Hygrade, GTE, Nilco); Emporium (PA)
- Land
- USA
- Hersteller / Marke
- Sylvania (Hygrade, GTE, Nilco); Emporium (PA)
- Jahr
- 1950
- Kategorie
- Fernseh-Empfänger/Monitor
- Radiomuseum.org ID
- 126525
Klicken Sie auf den Schaltplanausschnitt, um diesen kostenlos als Dokument anzufordern.
- Anzahl Röhren
- 28
- Röhren
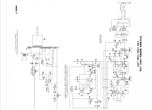
- 6AG5 6AG5 6J6 6BA6 6BA6 6AU6 6AG5 6AL5 6AQ5 12AU7 6AU6 6AU6 6AL5 6AU6 6Y6G 12AX7 12AU7 6AQ5 6AL5 6AU6 12AU7 6BD5GT 6W4GT 6SN7GT 1B3GT 7X6 5U4G 12VP4
- Hauptprinzip
- Superhet allgemein
- Wellenbereiche
- Wellen in den Bemerkungen.
- Betriebsart / Volt
- Wechselstromspeisung / 110-120 Volt
- Lautsprecher
- Dynamischer LS, Prinzip (Edyn oder Pdyn) nicht gegeben. / Ø 5 inch = 12.7 cm
- Material
- Gerät mit Holzgehäuse
- von Radiomuseum.org
- Modell: 1-125 Ch= 1-139 - Sylvania Hygrade, GTE, Nilco;
- Form
- Tischmodell, Zusatz nicht bekannt - allgemein.
- Abmessungen (BHT)
- 16 x 20 x 18 inch / 406 x 508 x 457 mm
- Bemerkung
- 12" round CRT b/w TV with US standard VHF tuner, walnut cabinet.
- Literaturnachweis
- Photofact Folder, Howard W. SAMS (Set 92, Folder 8, Date 4-50)
- Autor
- Modellseite von einem Mitglied aus A angelegt. Siehe bei "Änderungsvorschlag" für weitere Mitarbeit.
- Weitere Modelle
-
Hier finden Sie 1134 Modelle, davon 459 mit Bildern und 1007 mit Schaltbildern.
Alle gelisteten Radios usw. von Sylvania (Hygrade, GTE, Nilco); Emporium (PA)