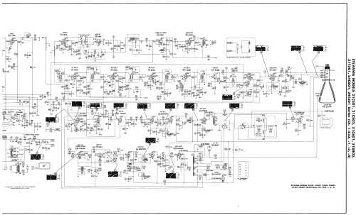
21C501 Ch= 1-533-1
Sylvania (Hygrade, GTE, Nilco); Emporium (PA)
- Land
- USA
- Hersteller / Marke
- Sylvania (Hygrade, GTE, Nilco); Emporium (PA)
- Jahr
- 1955 ?
- Kategorie
- Fernseh-Empfänger/Monitor
- Radiomuseum.org ID
- 302043
Klicken Sie auf den Schaltplanausschnitt, um diesen kostenlos als Dokument anzufordern.
- Anzahl Röhren
- 22
- Röhren
- 6BQ7A 6X8 6BZ6 6BZ6 6BZ6 6AM8 12BY7 6AN8 12AU7A 6AU6 6AL5 6AV6 6AQ5 12AU7A 6SN7GTB 6W6GT 6AL5 6SN7GTB 6CD6GA 6AX4GT 1B3GT 21ATP4
- Hauptprinzip
- Super mit HF-Vorstufe
- Wellenbereiche
- Wellen in den Bemerkungen.
- Betriebsart / Volt
- Wechselstromspeisung / 60 cycles, 117V = 110 -120 Volt
- Lautsprecher
- Dynamischer LS, keine Erregerspule (permanentdynamisch)
- Material
- Gerät mit Holzgehäuse
- von Radiomuseum.org
- Modell: 21C501 Ch= 1-533-1 - Sylvania Hygrade, GTE, Nilco;
- Form
- Tischmodell, Zusatz nicht bekannt - allgemein.
- Bemerkung
-
Sylvania model 21C501 is a 21" b/w TV with US standard VHF tuner channels 2 thru 13. Equipped with chassis 1-533-1, VHF tuner 323-0064 and picture tube 21ATP4.
- Literatur/Schema (1)
- Photofact Folder, Howard W. SAMS (Set 319 Folder 13 dated 6-56)
- Literatur/Schema (2)
- Photofact Folder, Howard W. SAMS (Set 304 Folder 16-S dated 1956)
- Autor
- Modellseite von Dirk Taekels angelegt. Siehe bei "Änderungsvorschlag" für weitere Mitarbeit.
- Weitere Modelle
-
Hier finden Sie 1135 Modelle, davon 459 mit Bildern und 1007 mit Schaltbildern.
Alle gelisteten Radios usw. von Sylvania (Hygrade, GTE, Nilco); Emporium (PA)