21C513 Series Ch= 1-540-2
Sylvania (Hygrade, GTE, Nilco); Emporium (PA)
- Pays
- Etats-Unis
- Fabricant / Marque
- Sylvania (Hygrade, GTE, Nilco); Emporium (PA)
- Année
- 1957 ?
- Catégorie
- Récepteur de télévision ou moniteur
- Radiomuseum.org ID
- 315489
Cliquez sur la vignette du schéma pour le demander en tant que document gratuit.
- No. de tubes
- 16
- Lampes / Tubes
- 4BQ7A 5U8 3BZ6 3BZ6 3BZ6 12BY7A 5BR8 5T8 5AQ5 3CS6 6CG7 10DE7 12DQ6A 1B3GT 12AX4GT 21CQP4
- Principe général
- Super hétérodyne avec étage HF
- Gammes d'ondes
- Bandes en notes
- Tension / type courant
- Alimentation Courant Alternatif (CA) / 60 Hz, 117V = 110 -120 Volt
- Haut-parleur
- HP dynamique à aimant permanent + bobine mobile
- Matière
- Boitier en bois
- De Radiomuseum.org
- Modèle: 21C513 Series Ch= 1-540-2 - Sylvania Hygrade, GTE, Nilco;
- Forme
- Console avec pieds bas < 50% de la hauteur
- Remarques
-
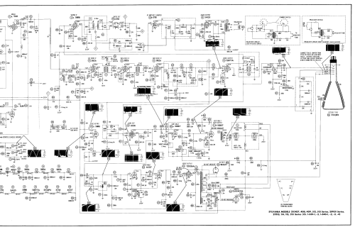
Sylvania model 21C513 Series is a 21" b/w TV with US standard VHF tuner channels 2 thru 13. Equipped with chassis 1-540-2, VHF-tuner 54-95604-5 and picture tube 21CQP4.
- Schémathèque (1)
- Photofact Folder, Howard W. SAMS (Set 374 Folder 17-S dated 10-57)
- Schémathèque (2)
- Photofact Folder, Howard W. SAMS (Set 389 Folder 4 dated 2-58)
- Auteur
- Modèle crée par Dirk Taekels. Voir les propositions de modification pour les contributeurs supplémentaires.
- D'autres Modèles
-
Vous pourrez trouver sous ce lien 1134 modèles d'appareils, 459 avec des images et 1007 avec des schémas.
Tous les appareils de Sylvania (Hygrade, GTE, Nilco); Emporium (PA)