433YE Ch= 1-604-1
Sylvania (Hygrade, GTE, Nilco); Emporium (PA)
- Country
- United States of America (USA)
- Manufacturer / Brand
- Sylvania (Hygrade, GTE, Nilco); Emporium (PA)
- Year
- 1953
- Category
- Broadcast Receiver - or past WW2 Tuner
- Radiomuseum.org ID
- 149468
Click on the schematic thumbnail to request the schematic as a free document.
- Number of Tubes
- 4
- Main principle
- Superheterodyne (common); ZF/IF 455 kHz; 2 AF stage(s)
- Tuned circuits
- 6 AM circuit(s)
- Wave bands
- Broadcast only (MW).
- Power type and voltage
- Line / Batteries (any type) / AC/DC 110-120/ 75-90 & 7.5 Volt
- Loudspeaker
- Permanent Magnet Dynamic (PDyn) Loudspeaker (moving coil) - elliptical
- Material
- Plastics (no bakelite or catalin)
- from Radiomuseum.org
- Model: 433YE Ch= 1-604-1 - Sylvania Hygrade, GTE, Nilco;
- Shape
- Portable set > 8 inch (also usable without mains)
- Notes
- 4" x 6" PM elliptical speaker;
Color=Yellow; Selenium Rectifier.
The Sylvania Model 433YE is an Three Power operated AM Superheterodyne Receiver.
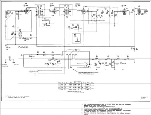
- Literature/Schematics (1)
- Photofact Folder, Howard W. SAMS (Date 12-53, Set 225, Folder 17)
- Author
- Model page created by Egon Penker. See "Data change" for further contributors.
- Other Models
-
Here you find 1094 models, 456 with images and 967 with schematics for wireless sets etc. In French: TSF for Télégraphie sans fil.
All listed radios etc. from Sylvania (Hygrade, GTE, Nilco); Emporium (PA)