4C09 Ch= 668-1
Sylvania (Hygrade, GTE, Nilco); Emporium (PA)
- Produttore / Marca
- Sylvania (Hygrade, GTE, Nilco); Emporium (PA)
- Anno
- 1960 ?
- Categoria
- Radio (o sintonizzatore del dopoguerra WW2)
- Radiomuseum.org ID
- 85906
Clicca sulla miniatura dello schema per richiederlo come documento gratuito.
- Numero di tubi
- 4
- Principio generale
- Supereterodina (in generale); ZF/IF 455 kHz; 2 Stadi BF
- N. di circuiti accordati
- 4 Circuiti Mod. Amp. (AM)
- Gamme d'onda
- Solo onde medie (OM).
- Tensioni di funzionamento
- Alimentazione a corrente alternata (CA) / 117 Volt
- Altoparlante
- AP magnetodinamico (magnete permanente e bobina mobile) / Ø 4 inch = 10.2 cm
- Materiali
- Plastica (non bachelite o catalina)
- Radiomuseum.org
- Modello: 4C09 Ch= 668-1 - Sylvania Hygrade, GTE, Nilco;
- Forma
- Soprammobile con orologio (radio-orologio, radiosveglia).
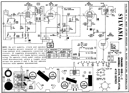
- Riferimenti schemi
- Beitman Radio Diagrams Vol. 21, 1961
- Autore
- Modello inviato da Egon Penker. Utilizzare "Proponi modifica" per inviare ulteriori dati.
- Altri modelli
-
In questo link sono elencati 1134 modelli, di cui 459 con immagini e 1007 con schemi.
Elenco delle radio e altri apparecchi della Sylvania (Hygrade, GTE, Nilco); Emporium (PA)