519H Ch= 1-607-2
Sylvania (Hygrade, GTE, Nilco); Emporium (PA)
- Produttore / Marca
- Sylvania (Hygrade, GTE, Nilco); Emporium (PA)
- Anno
- 1955
- Categoria
- Radio (o sintonizzatore del dopoguerra WW2)
- Radiomuseum.org ID
- 142948
Clicca sulla miniatura dello schema per richiederlo come documento gratuito.
- Numero di tubi
- 5
- Principio generale
- Supereterodina (in generale); ZF/IF 455 kHz; 2 Stadi BF
- N. di circuiti accordati
- 6 Circuiti Mod. Amp. (AM)
- Gamme d'onda
- Solo onde medie (OM).
- Tensioni di funzionamento
- Alimentazione universale (doppia: CC/CA) / 105 - 125 Volt
- Altoparlante
- AP magnetodinamico (magnete permanente e bobina mobile) / Ø 4 inch = 10.2 cm
- Materiali
- Plastica (non bachelite o catalina)
- Radiomuseum.org
- Modello: 519H Ch= 1-607-2 - Sylvania Hygrade, GTE, Nilco;
- Forma
- Soprammobile compatto/con bordi arrotondati/midget senza pulsantiera/tastiera.<= 35 cm (Sometimes with handle but for mains only).
- Annotazioni
- The Sylvania Model 519H is an AC/DC Operated AM Superheterodyne Receiver.
- Letteratura / Schemi (1)
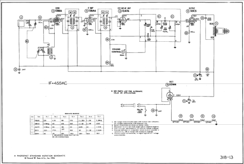
- Photofact Folder, Howard W. SAMS (Date 5-56, Set 318, Folder 13)
- Autore
- Modello inviato da Egon Penker. Utilizzare "Proponi modifica" per inviare ulteriori dati.
- Altri modelli
-
In questo link sono elencati 1134 modelli, di cui 459 con immagini e 1007 con schemi.
Elenco delle radio e altri apparecchi della Sylvania (Hygrade, GTE, Nilco); Emporium (PA)