CB-Mobilfunkgerät TS404
Team Electronic GmbH; Frankfurt/Main
- Paese
- Germania
- Produttore / Marca
- Team Electronic GmbH; Frankfurt/Main
- Anno
- 1985
- Categoria
- Apparecchio CB (banda cittadina)
- Radiomuseum.org ID
- 143855
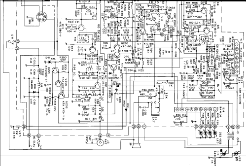
Clicca sulla miniatura dello schema per richiederlo come documento gratuito.
- Numero di transistor
- A semiconduttori.
- Semiconduttori
- Principio generale
- Supereterodina (in generale)
- Gamme d'onda
- Gamme d'onda nelle note.
- Tensioni di funzionamento
- Batteria di accumulatori, per tutto (es. autoradio, radio amatoriali) / 13,8 Volt
- Altoparlante
- AP magnetodinamico (magnete permanente e bobina mobile) / Ø 6.5 cm = 2.6 inch
- Materiali
- Mobile di metallo
- Radiomuseum.org
- Modello: CB-Mobilfunkgerät TS404 - Team Electronic GmbH;
- Forma
- Tascabile (portatile molto piccola), < 20 cm
- Annotazioni
-
CB-Mobilfunkgerät TS 404, 40 Kanal AM/FM im 27 MHz-Bereich. Squelch, Kanalumschaltung über Drehschalter und über Tasten im dyn. Mikrofon, digitale Kanalanzeige.
- Prezzo nel primo anno
- 188.00 DM
- Fonte dei dati
- -- Collector info (Sammler)
- Autore
- Modello inviato da Sándor Selyem-Tóth. Utilizzare "Proponi modifica" per inviare ulteriori dati.
- Altri modelli
-
In questo link sono elencati 42 modelli, di cui 41 con immagini e 31 con schemi.
Elenco delle radio e altri apparecchi della Team Electronic GmbH; Frankfurt/Main
Collezioni
Il modello CB-Mobilfunkgerät fa parte delle collezioni dei seguenti membri.