Elektronik Labor Bausatz Rundfunkempfänger
Christiani, Dr. Ing. Paul; Konstanz
- Country
- Germany
- Manufacturer / Brand
- Christiani, Dr. Ing. Paul; Konstanz
- Year
- 1969–1978
- Category
- Kit (Parts plus instruction) or building instructions only
- Radiomuseum.org ID
- 158619
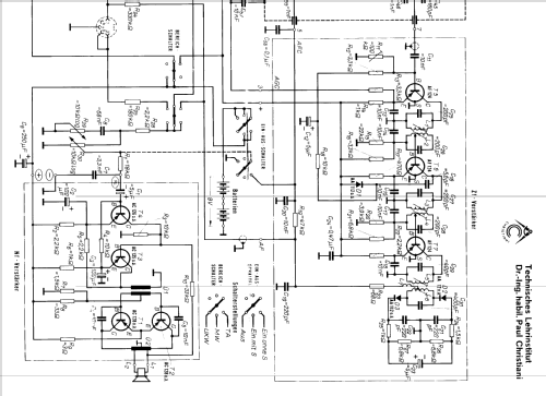
Click on the schematic thumbnail to request the schematic as a free document.
- Number of Transistors
- 12
- Semiconductors
- Main principle
- Superheterodyne (common); 3 AF stage(s)
- Wave bands
- Broadcast (BC) and FM or UHF.
- Power type and voltage
- Storage and/or dry batteries / 2 x 4,5 Volt
- Loudspeaker
- Permanent Magnet Dynamic (PDyn) Loudspeaker (moving coil) - elliptical / Ø 15 cm = 5.9 inch
- Power out
- 1 W (unknown quality)
- Material
- Wooden case
- from Radiomuseum.org
- Model: Elektronik Labor Bausatz Rundfunkempfänger - Christiani, Dr. Ing. Paul;
- Shape
- Tablemodel, low profile (big size).
- Dimensions (WHD)
- 400 x 170 x 120 mm / 15.7 x 6.7 x 4.7 inch
- Author
- Model page created by Franz Buchsbaum. See "Data change" for further contributors.
- Other Models
-
Here you find 5 models, 5 with images and 4 with schematics for wireless sets etc. In French: TSF for Télégraphie sans fil.
All listed radios etc. from Christiani, Dr. Ing. Paul; Konstanz
Collections
The model Elektronik Labor is part of the collections of the following members.