Tefilux T453
Tefi-Apparatebau; Porz bei Köln
- Hersteller / Marke
- Tefi-Apparatebau; Porz bei Köln
- Jahr
- 1958
- Kategorie
- Fernseh-Empfänger/Monitor
- Radiomuseum.org ID
- 83186
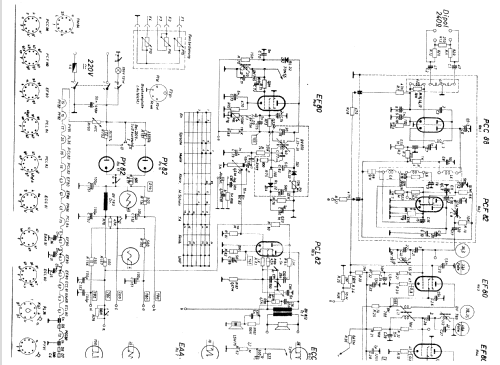
Klicken Sie auf den Schaltplanausschnitt, um diesen kostenlos als Dokument anzufordern.
- Anzahl Röhren
- 19
- Röhren
- Hauptprinzip
- Superhet allgemein
- Wellenbereiche
- Wellen in den Bemerkungen.
- Betriebsart / Volt
- Allstromgerät / 220 Volt
- Material
- Gerät mit Holzgehäuse
Die GFGF Zeitschrift Funkgeschichte bringt interessante Artikel zu Radios, Funkwesen und Medien. Bei Radiomuseum.org finden Sie die vollständigen Hefte früherer Ausgaben als PDF zum Download.
- von Radiomuseum.org
- Modell: Tefilux T453 - Tefi-Apparatebau; Porz bei
- Form
- Tischmodell, Zusatz nicht bekannt - allgemein.
- Abmessungen (BHT)
- 601 x 508 x 490 mm / 23.7 x 20 x 19.3 inch
- Bemerkung
- Nur VHF, Einbau eines UHF-Tuners vorbereitet. Bilddiagonale: 53 cm. Baugleich mit "Tonfunk Bildjuwel 921-S".
- Originalpreis
- 1,095.00 DM
- Datenherkunft
- Radiokatalog Band 2, Ernst Erb
- Literaturnachweis
- Tefifon, Das; Herbert Jüttemann
- Autor
- Modellseite von Bernd P. Kieck angelegt. Siehe bei "Änderungsvorschlag" für weitere Mitarbeit.
- Weitere Modelle
-
Hier finden Sie 113 Modelle, davon 101 mit Bildern und 98 mit Schaltbildern.
Alle gelisteten Radios usw. von Tefi-Apparatebau; Porz bei Köln