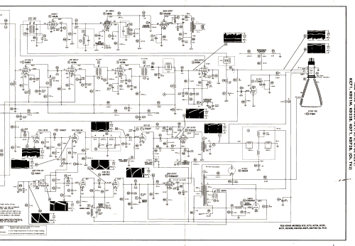
KD22B Ch= TVJ
Tele King
- Pays
- Etats-Unis
- Fabricant / Marque
- Tele King
- Année
- 1952 ?
- Catégorie
- Récepteur de télévision ou moniteur
- Radiomuseum.org ID
- 357354
Cliquez sur la vignette du schéma pour le demander en tant que document gratuit.
- No. de tubes
- 18
- Lampes / Tubes
- 6BC5 or 6AG5 or 6CB6 6J6 6AG5 or 6BC5 6CB6 6CB6 6CB6 12AU7 6AU6 6BN6 25L6GT 12AU7 or 12AT7 25L6GT 6AL5 6SN7GT 25BQ6GT 25W4GT 1B3GT 17BP4
- Principe général
- Super hétérodyne avec étage HF
- Gammes d'ondes
- Bandes en notes
- Tension / type courant
- Alimentation Courant Alternatif (CA) / 60Hz, 117V=110-120 Volt
- Haut-parleur
- HP dynamique à aimant permanent + bobine mobile
- Matière
- Boitier en bois
- De Radiomuseum.org
- Modèle: KD22B Ch= TVJ - Tele King
- Forme
- Console de forme générique
- Remarques
-
Tele King model KD22B is a 17” b/w TV with US standard VHF tuner channels 2 thru 13. Equipped with chassis TVJ, VHF tuner TT-7 and picture tube 17BP4.
- Schémathèque (1)
- Photofact Folder, Howard W. SAMS (Set 177, folder 13, dated 8-52)
- Auteur
- Modèle crée par Dirk Taekels. Voir les propositions de modification pour les contributeurs supplémentaires.
- D'autres Modèles
-
Vous pourrez trouver sous ce lien 36 modèles d'appareils, 15 avec des images et 32 avec des schémas.
Tous les appareils de Tele King