- Country
- Spain
- Manufacturer / Brand
- Telefunken Radiotécnica Ibérica; Getafe
- Year
- 1967 ??
- Category
- Car Radio, perhaps also + sound player/recorder
- Radiomuseum.org ID
- 290033
Click on the schematic thumbnail to request the schematic as a free document.
- Number of Transistors
- 7
- Main principle
- Superheterodyne (common); ZF/IF 455 kHz
- Wave bands
- Broadcast (MW) and Long Wave.
- Power type and voltage
- Storage Battery for all (e.g. for car radios and amateur radios) / 12 Volt
- Loudspeaker
- - This model requires external speaker(s).
- Power out
- 6 W (max.)
- Material
- Metal case
- from Radiomuseum.org
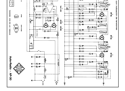
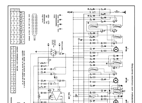
- Model: AP-30 - Telefunken Radiotécnica
- Shape
- Chassis only or for «building in»
- Dimensions (WHD)
- 176 x 105 x 46 mm / 6.9 x 4.1 x 1.8 inch
- Notes
-
AM: 510 - 1.620 kHz.
OL: 150 - 290 kHz.
- Net weight (2.2 lb = 1 kg)
- 1.250 kg / 2 lb 12.1 oz (2.753 lb)
- Literature/Schematics (1)
- -- Original-techn. papers.
- Author
- Model page created by Miguel Bravo-Cos. See "Data change" for further contributors.
- Other Models
-
Here you find 377 models, 300 with images and 267 with schematics for wireless sets etc. In French: TSF for Télégraphie sans fil.
All listed radios etc. from Telefunken Radiotécnica Ibérica; Getafe