Auto-Radio AN-50
Telefunken Radiotécnica Ibérica; Getafe
- Pays
- Espagne
- Fabricant / Marque
- Telefunken Radiotécnica Ibérica; Getafe
- Année
- 1968 ??
- Catégorie
- Autoradio, ev. avec cassette
- Radiomuseum.org ID
- 329860
Cliquez sur la vignette du schéma pour le demander en tant que document gratuit.
- No. de transistors
- 10
- Semi-conducteurs
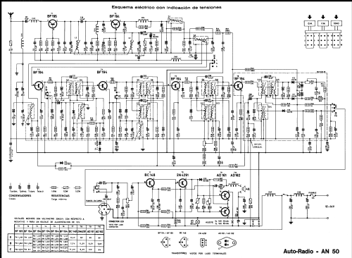
- BF195 BF194 BF194 BF194 BF194 BF194 BC148 2N4291 AD161 AD162 AA119 SD500 1N457 BA102
- Principe général
- Super hétérodyne (en général)
- Gammes d'ondes
- PO et FM
- Tension / type courant
- Accumulateur (par exemple pour autoradios ou radio) / 12 Volt
- Haut-parleur
- - Ce modèle nécessite des HP externes
- Puissance de sortie
- 6 W (qualité inconnue)
- Matière
- Boitier métallique
- De Radiomuseum.org
- Modèle: Auto-Radio AN-50 - Telefunken Radiotécnica
- Forme
- Chassis (pour intégration dans meuble)
- Dimensions (LHP)
- 176 x 46 x 105 mm / 6.9 x 1.8 x 4.1 inch
- Remarques
-
Telefunken Radiotécnica Ibérica, S.A., Auto Radio AN-50
Alimentación a 12 Vcc con posibilidad de cambio de polaridad a masa.
- Poids net
- 0.9 kg / 1 lb 15.7 oz (1.982 lb)
- Schémathèque (1)
- -- Original-techn. papers.
- Auteur
- Modèle crée par Miguel Bravo-Cos. Voir les propositions de modification pour les contributeurs supplémentaires.
- D'autres Modèles
-
Vous pourrez trouver sous ce lien 377 modèles d'appareils, 300 avec des images et 267 avec des schémas.
Tous les appareils de Telefunken Radiotécnica Ibérica; Getafe