Compañero (Companero) UB1275
Telefunken Radiotécnica Ibérica; Getafe
- País
- España
- Fabricante / Marca
- Telefunken Radiotécnica Ibérica; Getafe
- Año
- 1951/1952
- Categoría
- Radio - o Sintonizador pasado WW2
- Radiomuseum.org ID
- 110363
Haga clic en la miniatura esquemática para solicitarlo como documento gratuito.
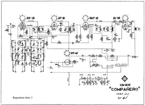
- Numero de valvulas
- 5
- Principio principal
- Superheterodino en general; ZF/IF 468 kHz; 2 Etapas de AF
- Gama de ondas
- OM y más de dos OC
- Tensión de funcionamiento
- Red / Baterías o pilas / 125 / 9 & 98 Volt
- Altavoz
- Altavoz dinámico (de imán permanente) / Ø 13 cm = 5.1 inch
- de Radiomuseum.org
- Modelo: Compañero UB1275 - Telefunken Radiotécnica
- Forma
- Portátil > 20 cm (sin la necesidad de una red)
- Anotaciones
- Hasta el serial 112305. A partir de dicho número vease Compañero UB1276.
Up to serial 112305. From then on look at Campañero UB1276.
Bloque de baterías vendido aparte, precio 175 pts.
Batt for sale at 175 pts.
- Precio durante el primer año
- 2,990.00 ESP
- Documentación / Esquemas (1)
- -- Original-techn. papers.
- Autor
- Modelo creado por Miguel Bravo-Cos. Ver en "Modificar Ficha" los participantes posteriores.
- Otros modelos
-
Donde encontrará 377 modelos, 300 con imágenes y 267 con esquemas.
Ir al listado general de Telefunken Radiotécnica Ibérica; Getafe