Polka
Telefunken France; Paris
- Land
- Frankreich / France
- Hersteller / Marke
- Telefunken France; Paris
- Jahr
- 1957/1958 ?
- Kategorie
- Rundfunkempfänger (Radio - oder Tuner nach WW2)
- Radiomuseum.org ID
- 73925
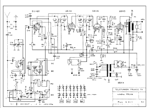
Klicken Sie auf den Schaltplanausschnitt, um diesen kostenlos als Dokument anzufordern.
- Anzahl Röhren
- 5
- Hauptprinzip
- Superhet allgemein; 2 NF-Stufe(n)
- Anzahl Kreise
- 6 Kreis(e) AM
- Wellenbereiche
- Langwelle, Mittelwelle und zwei mal Kurzwelle.
- Betriebsart / Volt
- Wechselstromspeisung / 110-240 Volt
- Lautsprecher
- Dynamischer LS, keine Erregerspule (permanentdynamisch) / Ø 13 cm = 5.1 inch
- Material
- Plastik oder Bakelit
- von Radiomuseum.org
- Modell: Polka - Telefunken France; Paris
- Form
- Tischgerät ohne Drucktasten, bis 35 cm Breite (Kleingerät, meist dekorativ. Nur für Netzbetrieb, doch Transportgriff möglich).
- Abmessungen (BHT)
- 290 x 210 x 160 mm / 11.4 x 8.3 x 6.3 inch
- Bemerkung
-
4 gammes d'ondes dont 1 bande étalée (BE) sur OC. Contre-réaction sélective, anti-fading sur 2 tubes. Cadre antiparasites fixe incorporé.
Coffre matière plastique teinte noire, bordeaux ou ivoire, avec grille-enjoliveur en ivoire. Complément : sac de voyage.
- Nettogewicht
- 3.2 kg / 7 lb 0.8 oz (7.048 lb)
- Literaturnachweis
- -- Original prospect or advert
- Weitere Modelle
-
Hier finden Sie 41 Modelle, davon 40 mit Bildern und 6 mit Schaltbildern.
Alle gelisteten Radios usw. von Telefunken France; Paris
Sammlungen
Das Modell Polka befindet sich in den Sammlungen folgender Mitglieder.